lemon-mirror:
Home >> Chevrolet >> 2000 >> Tracker 2WD L4-2.0L VIN C >> Repair and Diagnosis >> Powertrain Management >> Computers and Control Systems >> Body Control Module >> Diagrams >> Electrical Diagrams

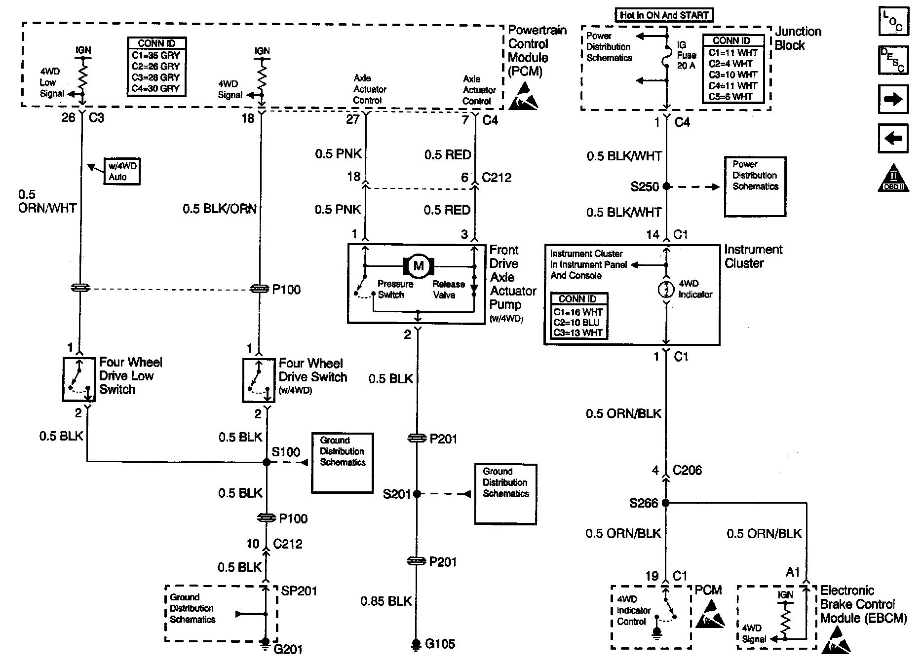
Electrical Diagrams

Engine Controls Schematics: Four Wheel Driver Inputs/Outputs: