lemon-mirror:
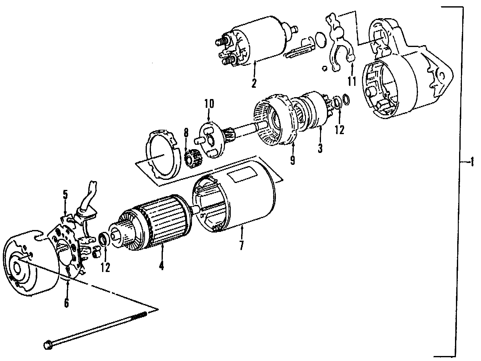
Home >> Chevrolet >> 2000 >> Tracker 2WD L4-2.0L VIN C >> Parts and Labor >> Starting and Charging >> Starting System >> Images

Images

Starting System: