lemon-mirror:
Home >> Chevrolet >> 2000 >> Impala V6-3.8L VIN K >> Repair and Diagnosis >> Powertrain Management >> Computers and Control Systems >> Body Control Module >> Diagrams >> Electrical Diagrams >> Traction Control Switch

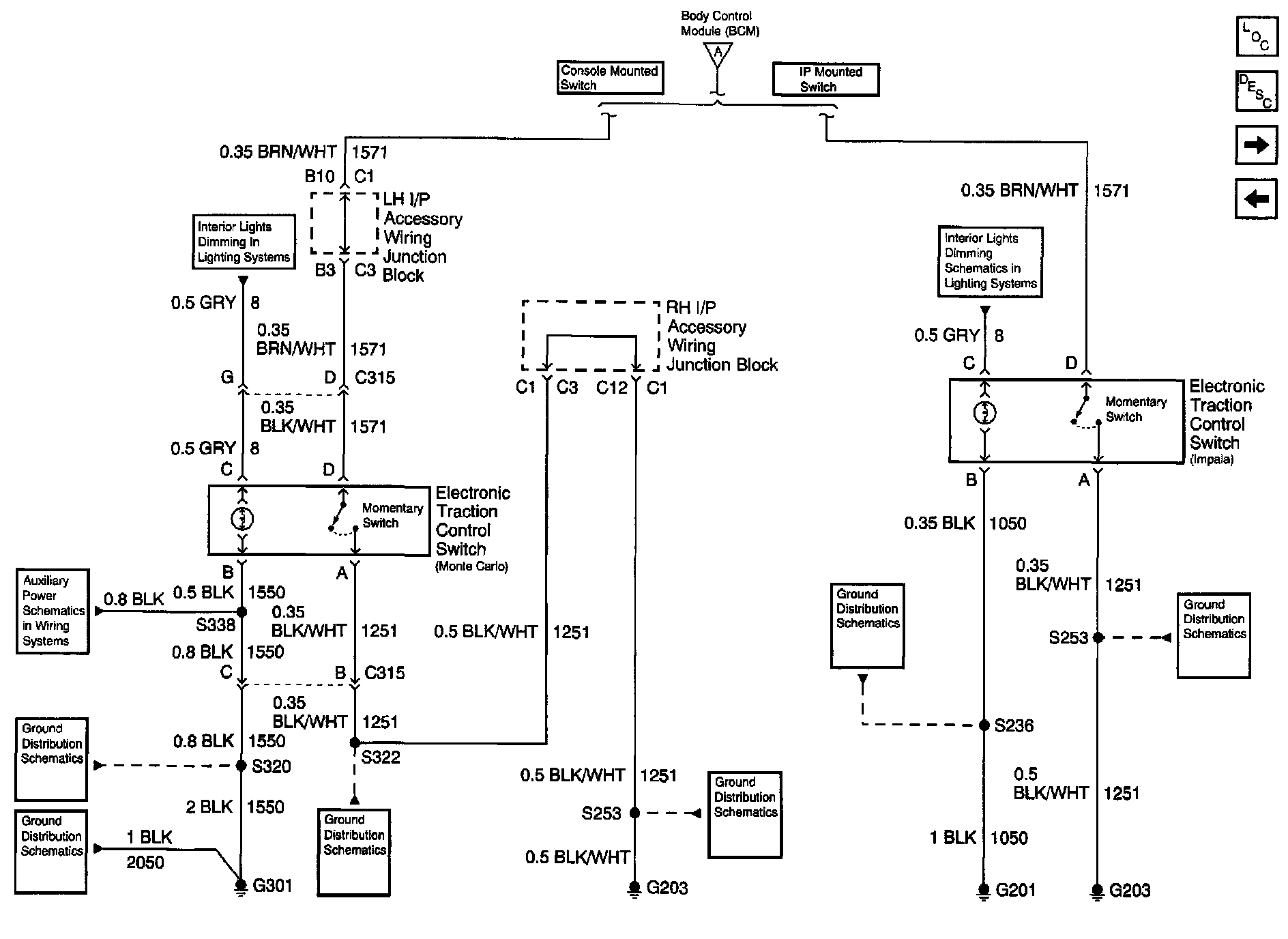
Traction Control Switch

Body Control Module Schematics: Traction Control Switch: