lemon-mirror:
Home >> Chevrolet >> 1994 >> Caprice V8-265 4.3L >> Repair and Diagnosis >> Powertrain Management >> Ignition System >> Distributor >> Locations >> Component Locations >> Ignition Distributor

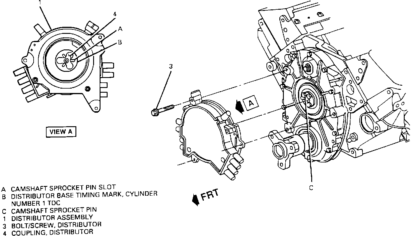
Ignition Distributor

Distributor Assembly Mounting:





The distributor is connected directly to the camshaft, located behind the water pump.