lemon-mirror:
Home >> Chevrolet >> 1994 >> Caprice V8-265 4.3L >> Repair and Diagnosis >> Diagrams >> Components >> Miscellaneous Components >> Generator

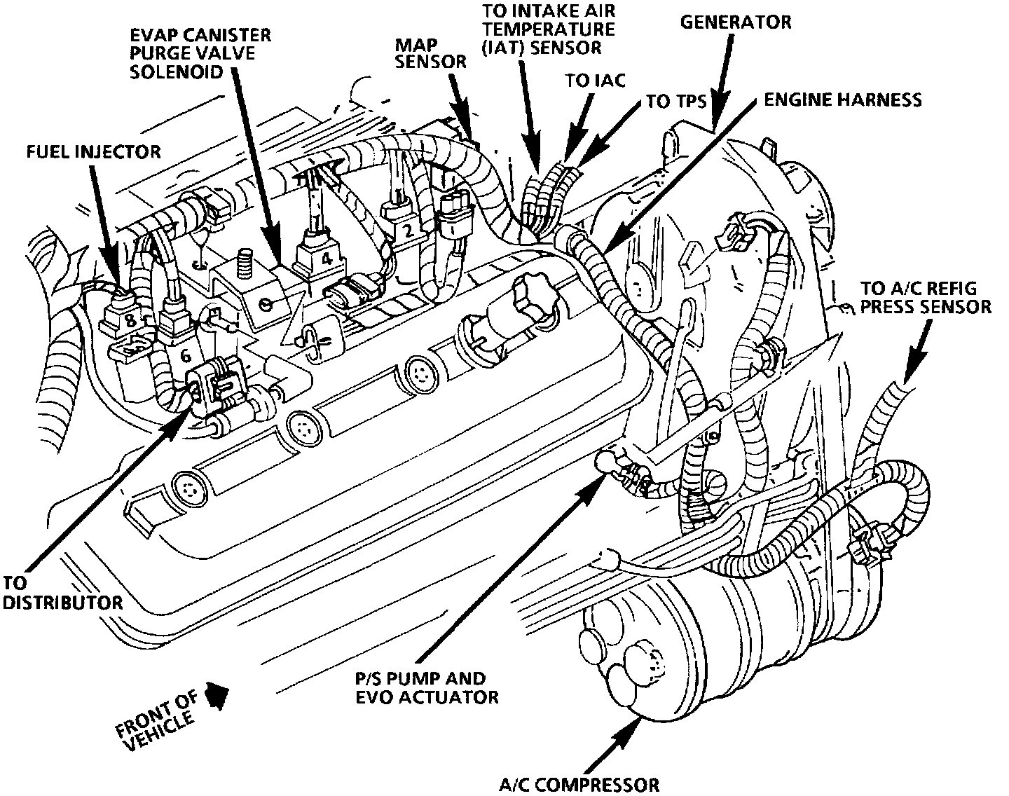
Generator

Engine, RH Side Upper: