lemon-mirror:
Home >> Chevrolet >> 1992 >> Corvette V8-350 5.7L >> Repair and Diagnosis >> Powertrain Management >> Computers and Control Systems >> Relays and Modules - Computers and Control Systems >> Engine Control Module >> Description and Operation

Engine Control Module: Description and Operation

ECM And Connector:





Purpose:
The ECM constantly receives information from various sensors. The ECM performs the diagnostic functions of the system and can recognize operational problems and alert the driver through the "SERVICE ENGINE SOON" light.

The ECM stores trouble codes which identify the problem area to diagnose or repair. The ECM is designed to process the various input information, and send the necessary electrical response to control fuel delivery, spark control, and other emission control systems.

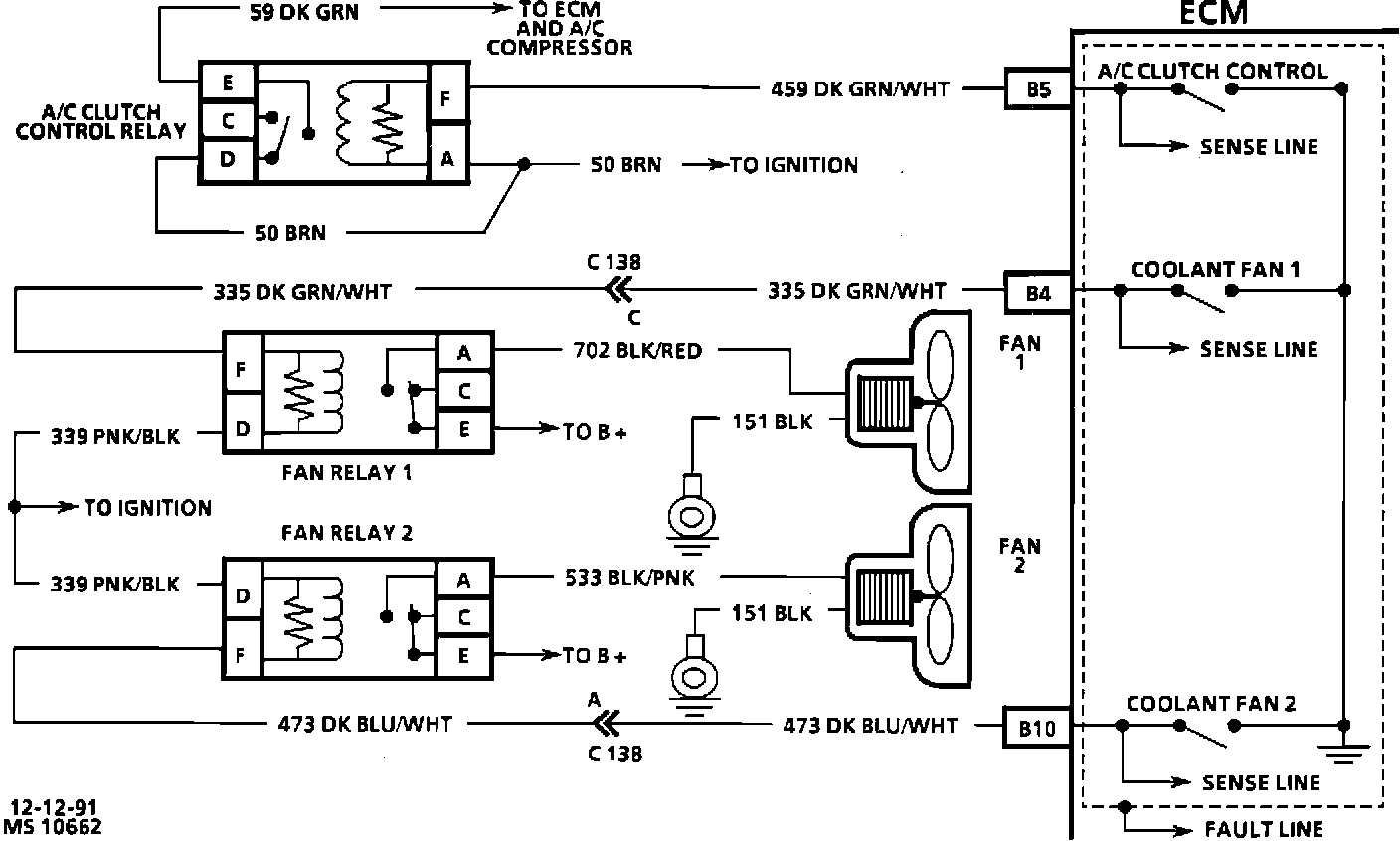
Quad-Driver Module #1 Circuit:




Quad-Driver Module #2 Circuit:




Quad-Driver Module #3 Circuit:





The ECM can control these devices through the use of Quad Driver Modules (QDM). When the ECM is commanding a device or a component "ON," the voltage potential of the output is "LOW" or near zero volts. When the ECM is commanding a device or component "OFF," the voltage potential of the circuit will be "HIGH," or near 12 volts. The primary function of the QDM is to supply the ground for the component being controlled.

Operation:
The input information has an interrelation between sensor output. If one of the input devices failed, such as the oxygen sensor, this could affect more than one of the systems controlled by the computer.

The computer has a learning ability which allows it to make corrections for minor variations in the fuel system to improve driveability. If the battery is disconnected to clear trouble codes or for repair, the learning process has to begin all over again, and a change may be noticed in the driving performance of the vehicle. To reset the vehicles learning ability, make sure the engine is at operating temperature and operate the vehicle at part throttle, moderate acceleration, and idle conditions, until normal performance returns.

Location:
The Electronic Control Module (ECM) is located in the passenger compartment and is the control center of the Computer Command Control system.