lemon-mirror:
Home >> Chevrolet >> 1992 >> Corvette V8-350 5.7L >> Repair and Diagnosis >> Powertrain Management >> Computers and Control Systems >> Relays and Modules - Computers and Control Systems >> Body Control Module >> Locations

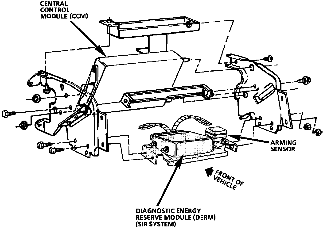
Body Control Module: Locations

Behind Center Of I/P Carrier: