lemon-mirror:
Home >> Chevrolet >> 1992 >> Corvette V8-350 5.7L >> Repair and Diagnosis >> Diagrams >> Components >> Modules >> Central Control Module

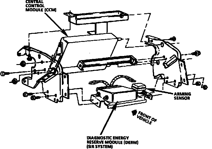
Central Control Module

CCM & DERM, Behind Center Of I/P:




CCM & ALDL Connector:




Behind Middle Of I/P