lemon-mirror:
Home >> Chevrolet >> 1992 >> Corvette V8-350 5.7L >> Repair and Diagnosis >> Cruise Control >> Cruise Control Module >> Locations

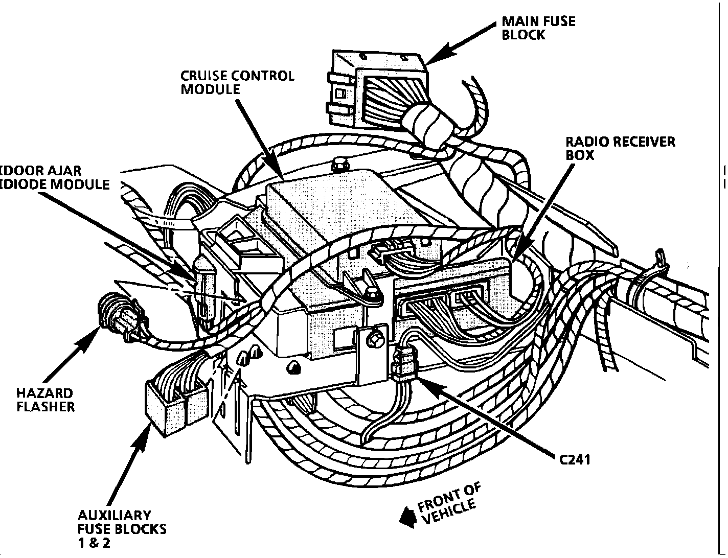
Cruise Control Module: Locations

Behind RH Side Of I/P: