lemon-mirror:
Home >> Chevrolet >> 1992 >> Cavalier/Z24 L4-134 2.2L >> Repair and Diagnosis >> Powertrain Management >> Ignition System >> Locations >> Direct Ignition System (DIS)

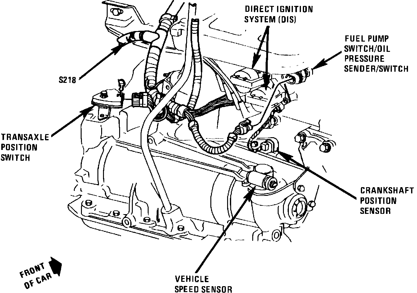
Direct Ignition System (DIS)

Rear Of Engine: