lemon-mirror:
Home >> Chevrolet >> 1992 >> Cavalier/Z24 L4-134 2.2L >> Repair and Diagnosis >> Powertrain Management >> Computers and Control Systems >> Coolant Temperature Sensor/Switch (For Computer) >> Locations

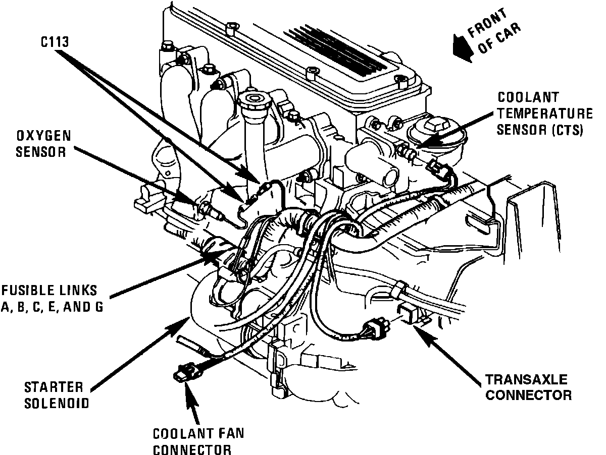
Coolant Temperature Sensor/Switch (For Computer): Locations

LH Front Of Engine:



Engine Sensors: