lemon-mirror:
Home >> Chevrolet >> 1990 >> Corvette V8-350 5.7L >> Repair and Diagnosis >> Locations >> Component Locations >> Modules >> Electronic Brake Control (EBCM) Module

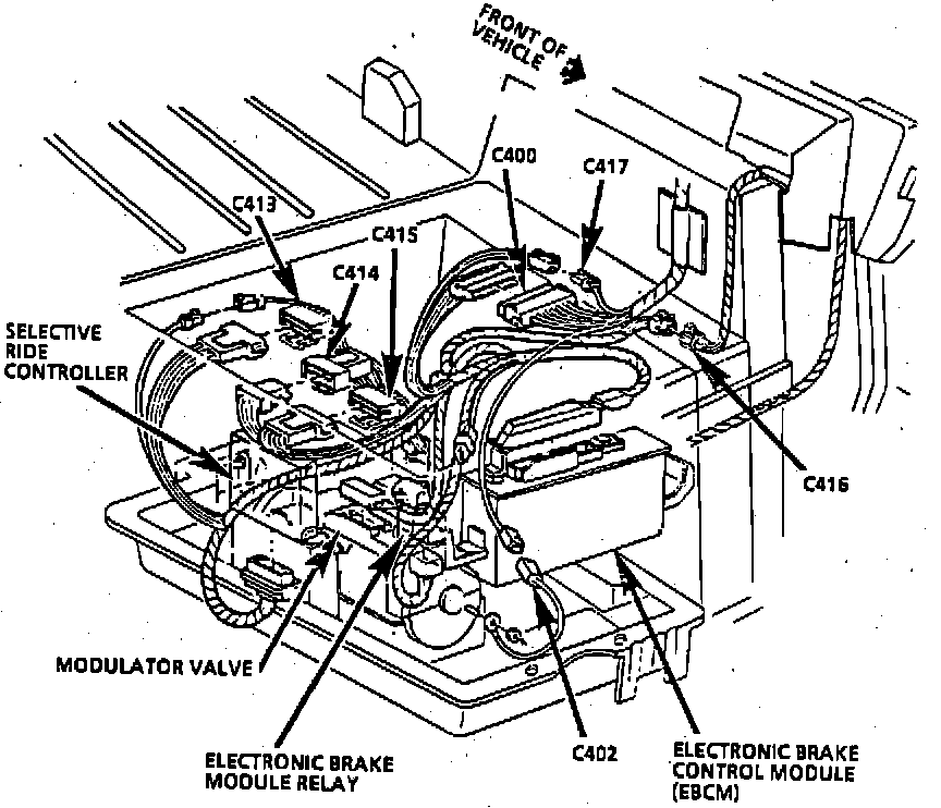
Electronic Brake Control (EBCM) Module

Electronic Brake Control Component Locations.:




LH Side Of Cargo Compartment

Applicable to: 1990