lemon-mirror:
Home >> Chevrolet >> 1990 >> Corvette V8-350 5.7L >> Repair and Diagnosis >> Diagrams >> Components >> Miscellaneous Components >> Fuse Block

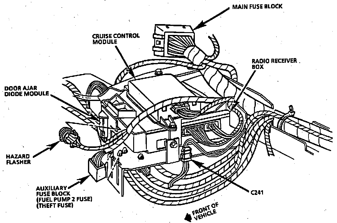
Fuse Block

Electronic Control Module:




Radio Receiver Component Location:






In RH End Of I/P