lemon-mirror:
Home >> Chevrolet >> 1990 >> Astro Van M L4-151 2.5L >> Repair and Diagnosis >> Powertrain Management >> Computers and Control Systems >> Transmission Position Sensor/Switch >> Locations

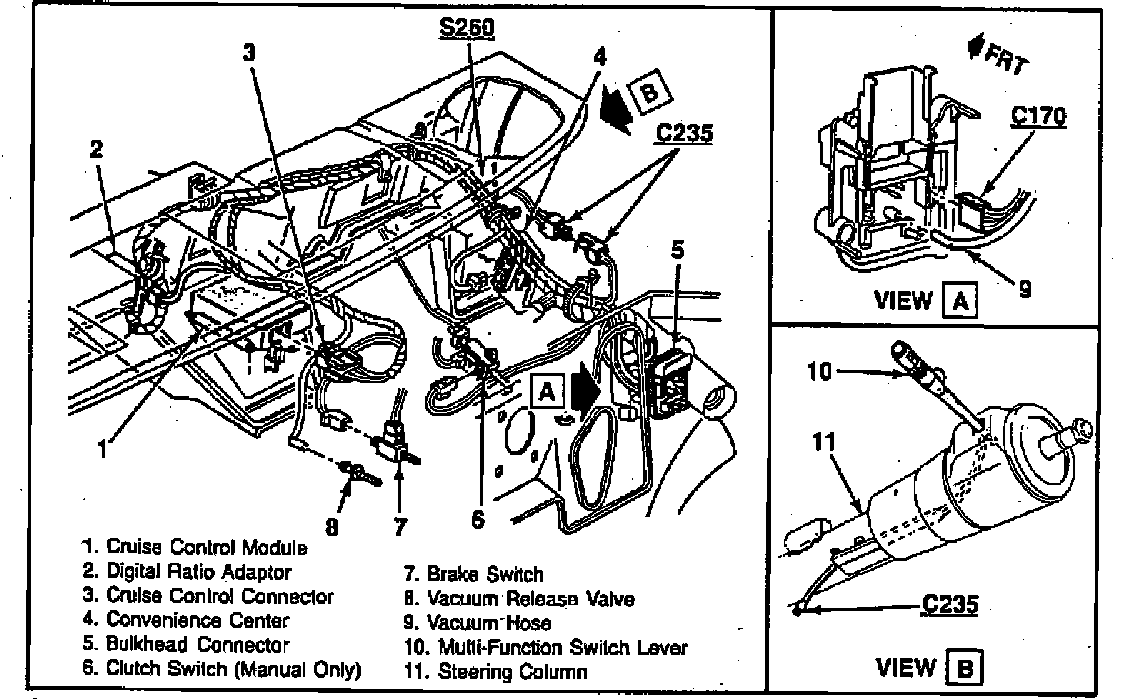
Transmission Position Sensor/Switch: Locations

Rear Of I/P & Steering Column.:




LH Side Of I/P, On Steering Column

Applicable to: 1989