lemon-mirror:
Home >> Chevrolet >> 1990 >> Astro Van M L4-151 2.5L >> Repair and Diagnosis >> Locations >> Component Locations >> Modules >> RWAL Module

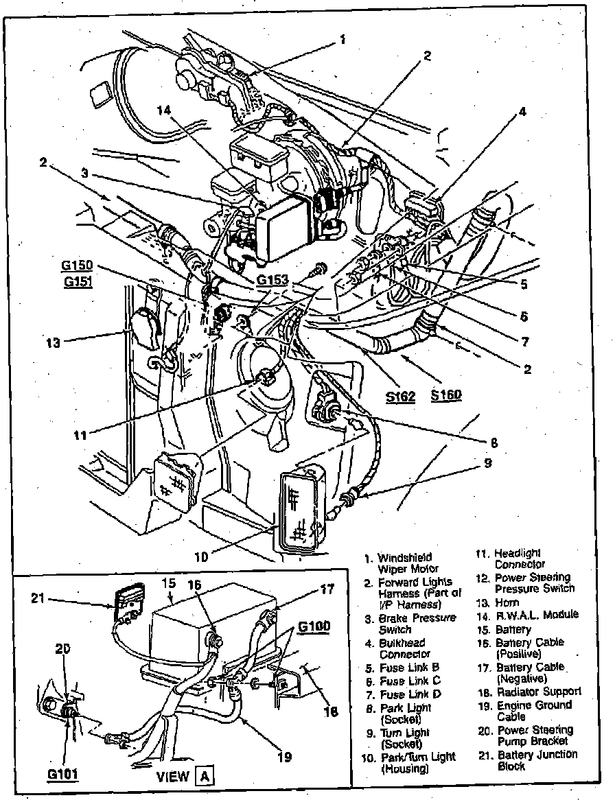
RWAL Module

RH Side Of Engine Compartment:




Next To Master Cylinder