lemon-mirror:
Home >> Chevrolet >> 1990 >> Astro Van M L4-151 2.5L >> Repair and Diagnosis >> Diagrams >> Exploded Views >> Automatic Transmission/Transaxle >> Unit Repair

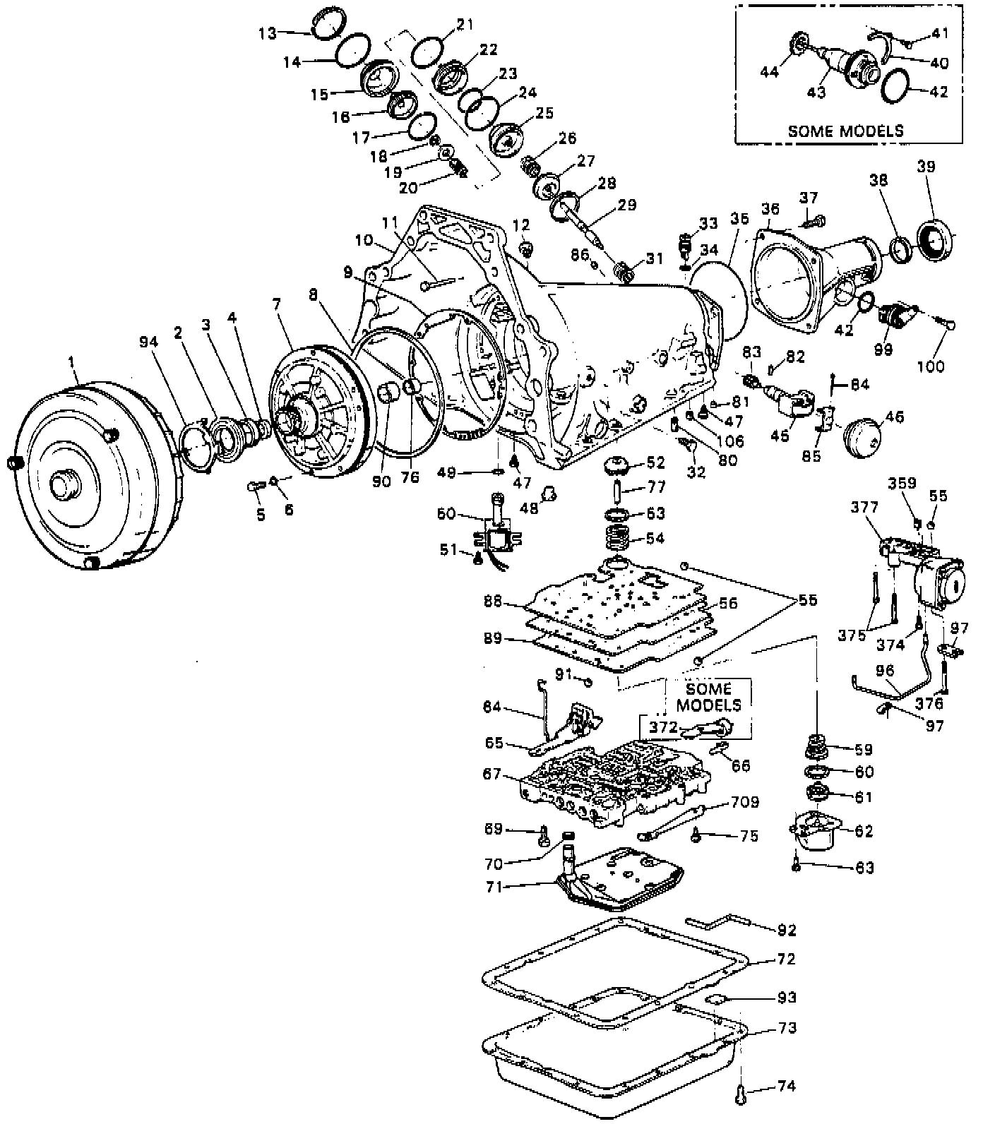
Unit Repair

External Components ( Part 1 Of 2 ):



External Components ( Part 2 Of 2 ):