lemon-mirror:
Home >> Chevrolet >> 1990 >> Astro Van M L4-151 2.5L >> Repair and Diagnosis >> Diagrams >> Components >> Miscellaneous Components >> Check Valve

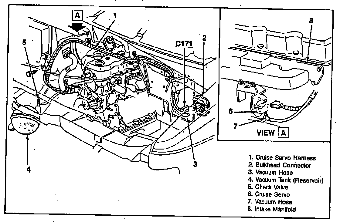
Check Valve

Cruise Control Components.:




On Vacuum Tank Reservoir

Applicable to: 4-151/2.5L Engine