lemon-mirror:
Home >> Chevrolet >> 1988 >> Sprint L3-61 1.0L >> Repair and Diagnosis >> Powertrain Management >> Computers and Control Systems >> Relays and Modules - Computers and Control Systems >> Engine Control Module >> Testing and Inspection >> ECM Power Circuits

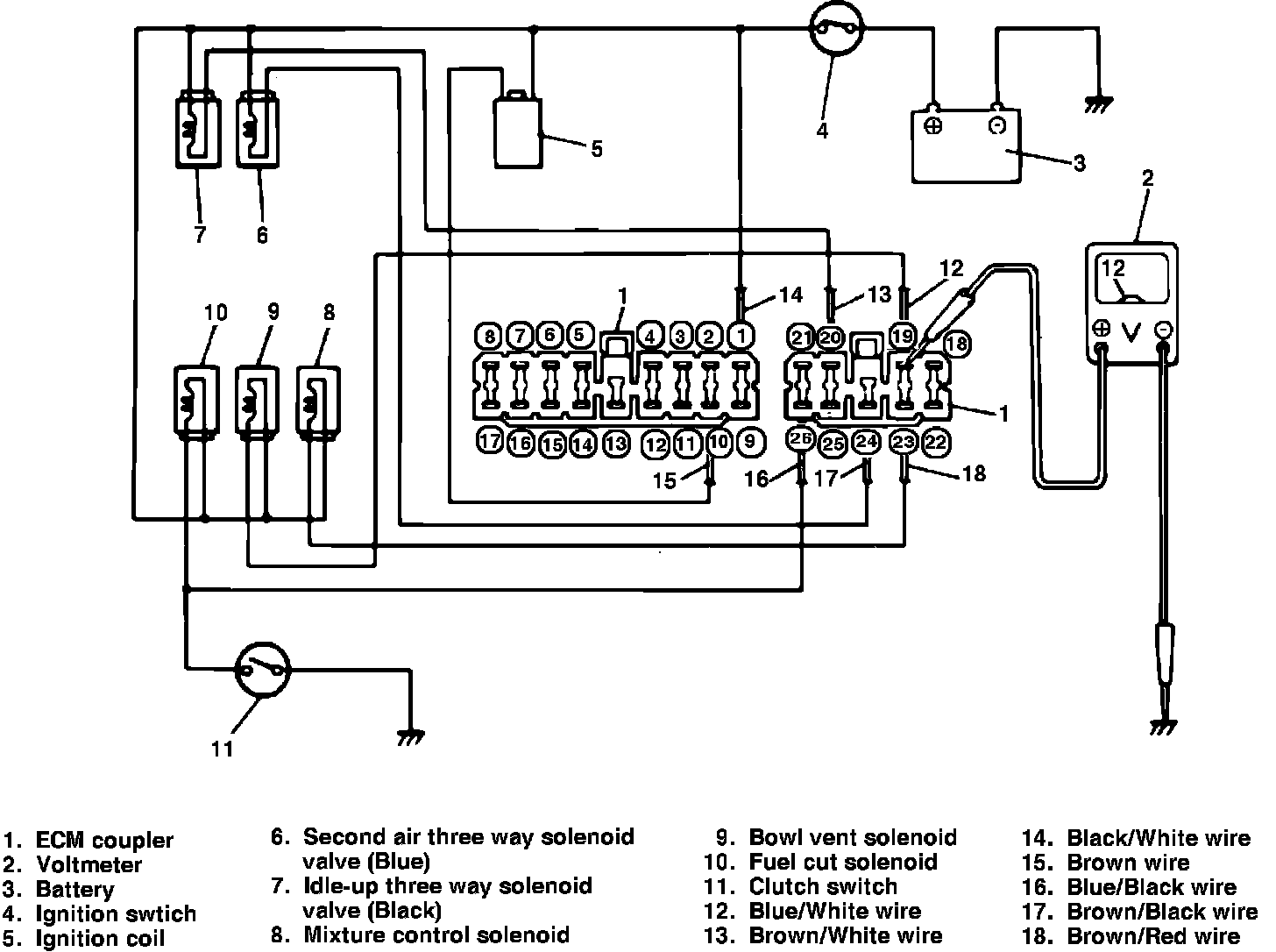
ECM Power Circuits

Fig. 42 Checking ECM power circuits. 1987 - 88 models:





Diagnostic Codes 52, 53, 54 & 56
The ignition coil, solenoids and solenoid valves are all connected to the ECM. A loose or open connection in any of these circuits will cause a loss of signal to the ECM, thus causing the system to malfunction. Check all power circuits as follows:
1. Disconnect ECM connector.
2. Turn ignition on without starting engine.
3. Connect voltmeter between terminal 19 of ECM connector and body ground, Fig. 42, and measure voltage. Voltage should be 12 volts. Repeat with terminals 20, 23, 24, 26, 1 and 10.
4. Connect voltmeter between terminal 26 of ECM connector and body. Voltage should be 12 volts. Depress clutch pedal. Voltage should drop to zero. If not check wiring.
5. Turn ignition ``Off,'' then reconnect ECM connector securely.