lemon-mirror:
Home >> Chevrolet >> 1988 >> Sprint L3-61 1.0L >> Repair and Diagnosis >> Diagrams >> Components >> Miscellaneous Components >> A/C Compressor

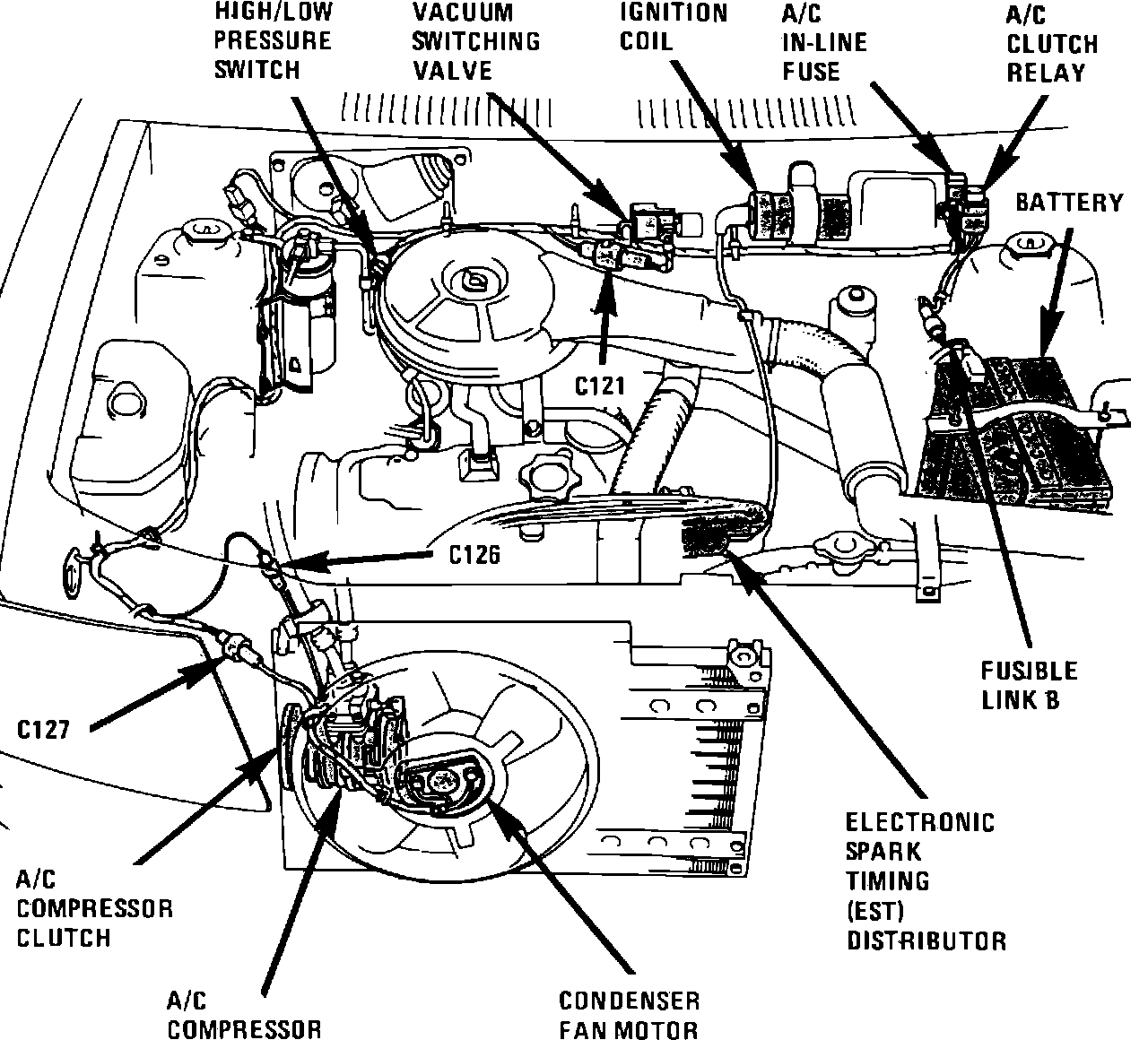
A/C Compressor

Engine Compartment:




Lower Right Front Of Engine:




Lower Right Front Of Engine Compartment

Applicable to: Non-Turbo