lemon-mirror:
Home >> Chevrolet >> 1988 >> Celebrity L4-151 2.5L >> Repair and Diagnosis >> Diagrams >> Components >> Motors >> Windshield Wiper Motor Module

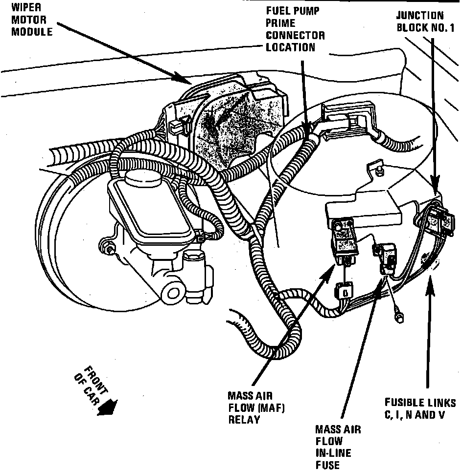
Windshield Wiper Motor Module

LH Rear Of Engine Compartment.:




On LH Side Of Firewall

Applicable to: Celebrity