lemon-mirror:
Home >> Chevrolet >> 1988 >> Celebrity L4-151 2.5L >> Repair and Diagnosis >> Diagrams >> Components >> Miscellaneous Components >> Fuse Block

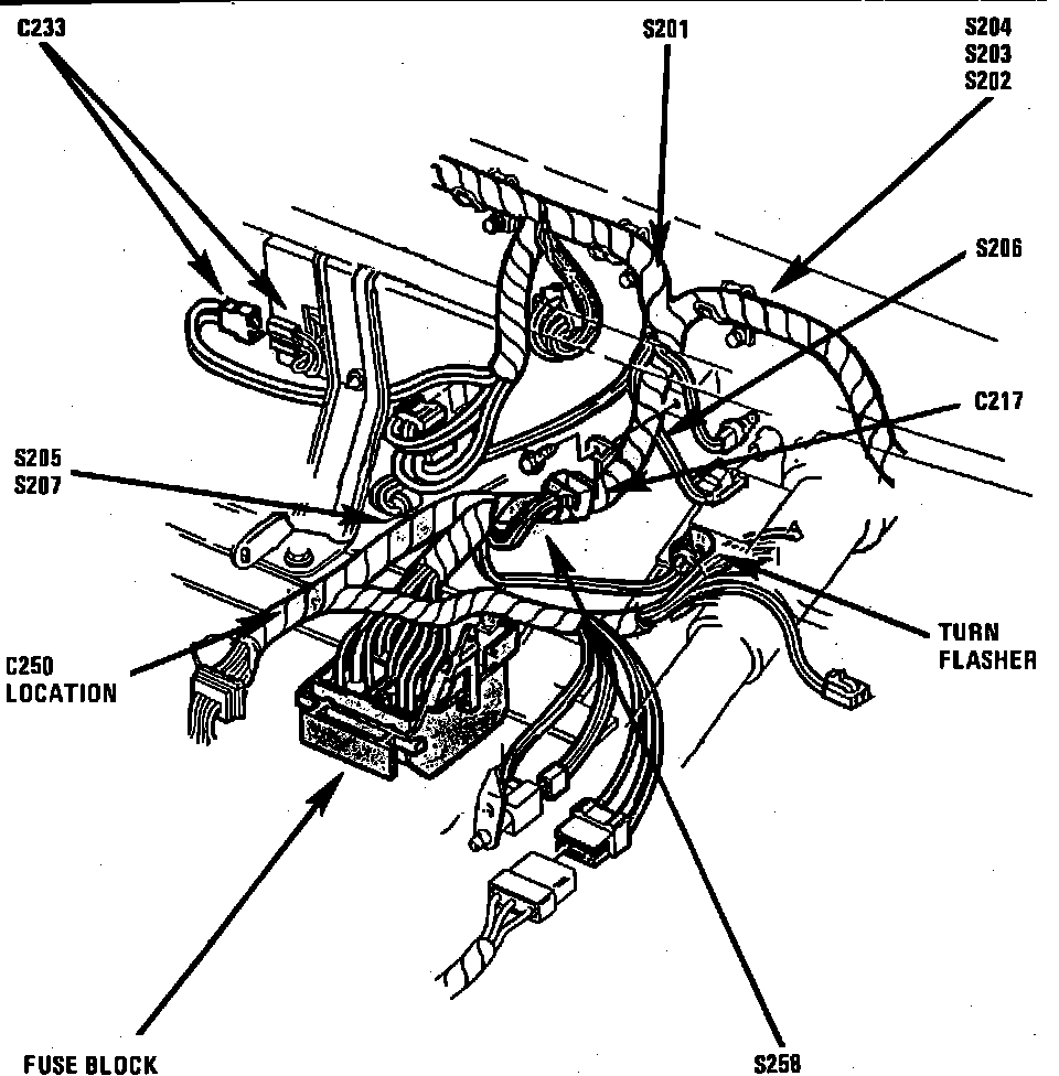
Fuse Block

Fuse Block.:




Behind LH Side Of I/P

Applicable to: Celebrity