lemon-mirror:
Home >> Chevrolet >> 1987 >> Corvette V8-350 5.7L >> Repair and Diagnosis >> Locations >> Component Locations >> Modules >> Electronic Spark Control (ESC) Module

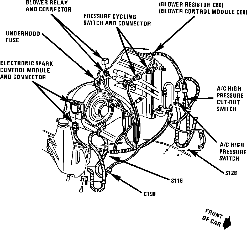
Electronic Spark Control (ESC) Module

Rear Of Engine Compartment:




RH Front Of Dash, On RH Side Of Blower Motor