lemon-mirror:
Home >> Chevrolet >> 1987 >> Cavalier/Z24 L4-121 2.0L >> Repair and Diagnosis >> Specifications >> Mechanical Specifications >> Engine >> System Specifications

System Specifications

Engine Specifications:




Continued Engine Specifications:





Torque Specifications:






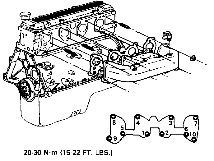
Intake Manifold Sequence:





Cylinder Head Sequence: