lemon-mirror:
Home >> Chevrolet >> 1987 >> Caprice V8-307 5.0L >> Repair and Diagnosis >> Diagrams >> Components >> Modules >> Cruise Control Module

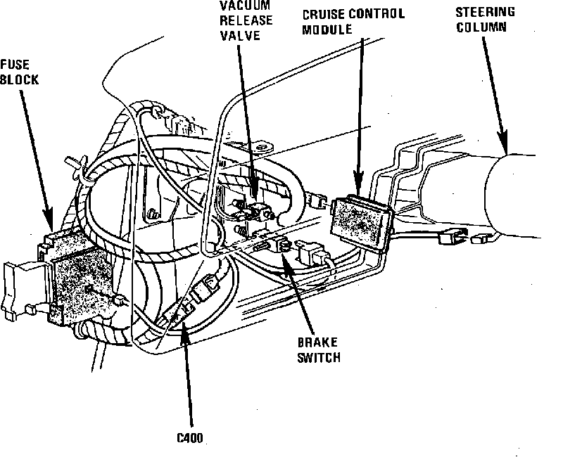
Cruise Control Module

Behind LH Side Of I/P.:




Behind I/P, On LH Side Of I/P Brace

Applicable to: 1986 Parisienne, 1986-87 Caprice & 1987 Safari Wagon