lemon-mirror:
Home >> Chevrolet >> 1987 >> Caprice V6-262 4.3L >> Repair and Diagnosis >> Powertrain Management >> Computers and Control Systems >> Knock Sensor >> Testing and Inspection

Knock Sensor: Testing and Inspection


Fig. 007a CHART C-5:





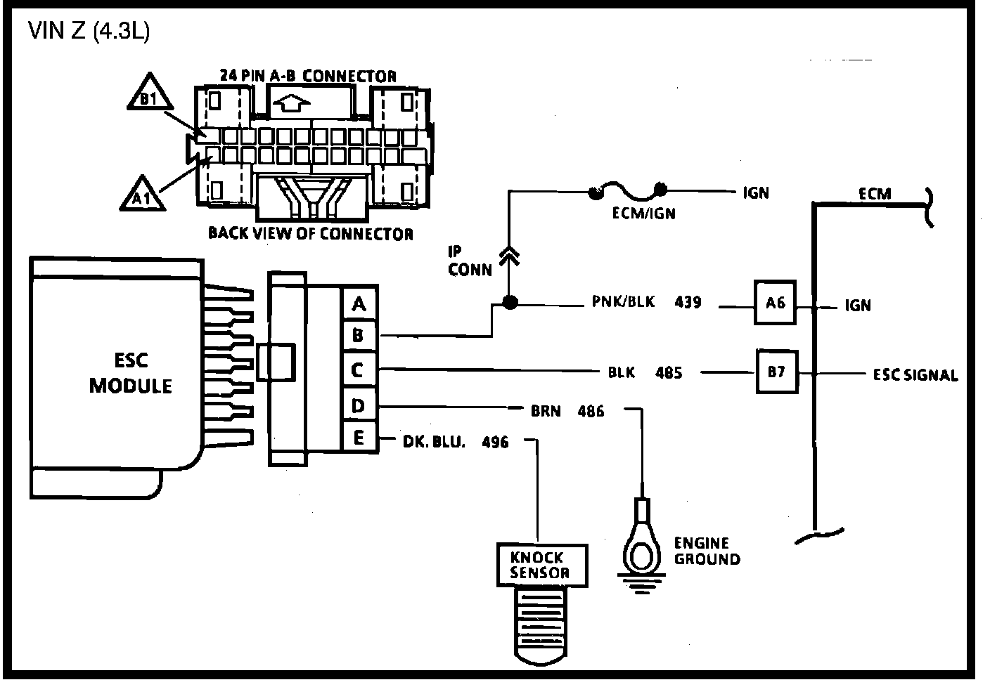
Fig. 009 - Wiring Diagram for Chart C-5 Electronic Spark Control Check. VIN Z:






CHART C-5, ELECTRONIC SPARK CONTROL

ELECTRONIC SPARK CONTROL (ESC) SYSTEM CHECK

4.3L ENGINE

5.0L "F" SERIES

FUEL INJECTION (TBI)

Circuit Description: Electronic spark control is accomplished with a module that sends a voltage signal to the ECM. As the knock sensor detects engine knock, the voltage from the ESC module to the ECM is shut off and this signals the ECM to retard timing.

Test Desciption: 1. If no code 43 is set but there is a knock signal evident while running at 1500 RPM, listen for internal engine noises. There should be no detonation and if any knock exists an internal engine problem may exist.
2. A knock signal can usually be generated by tapping on the right exhaust manifold. This test may also be performed at an idle. Test 1 was run at 1500 RPM to check for a constant knock signal that would cause poor engine performance.
3. determines if the knock signal is caused by the ESC module, the knock sensor or a basic engine problem.
4. The ESC module does not operate properly if the ground circuit is bad. The test light checks the ground circuit.
5. Contacting a test light to 12 volts and CKT 496 should generate a knock signal determining if the problem is the knock sensor or the ESC module.

Diagnostic Aids: If the ESC tests OK, see also DIAGNOSIS BY SYMPTOMS - DETONATION, SPARK KNOCK.