lemon-mirror:
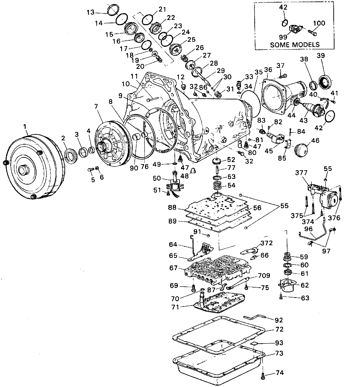
Home >> Chevrolet >> 1987 >> Caprice V6-262 4.3L >> Repair and Diagnosis >> Diagrams >> Exploded Views >> Automatic Transmission/Transaxle

Automatic Transmission/Transaxle