lemon-mirror:
Home >> Chevrolet >> 1986 >> Spectrum L4-91.5 1.5L >> Repair and Diagnosis >> Powertrain Management >> Ignition System >> Distributor >> Service and Repair >> Distributor Service

Distributor Service

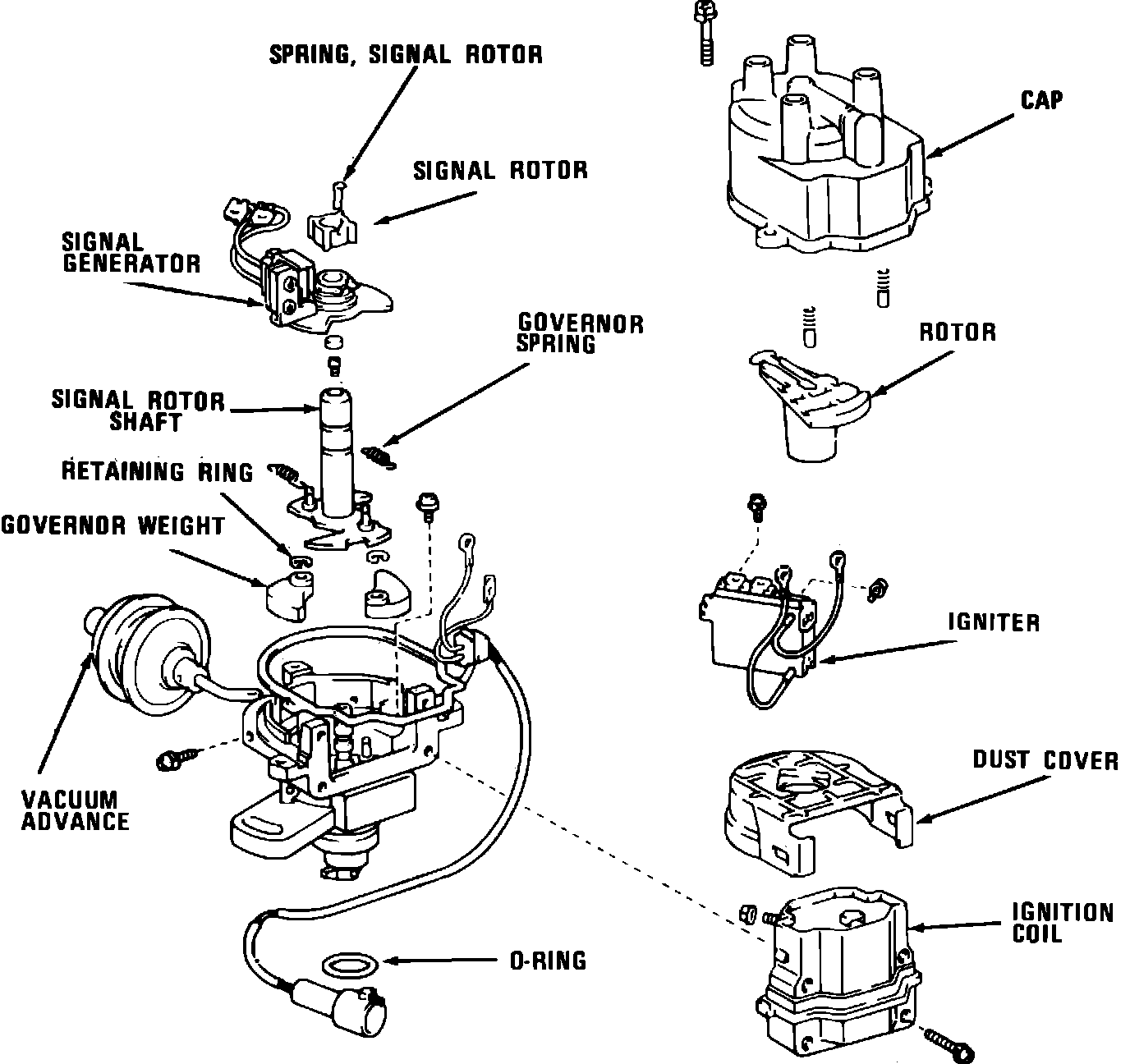
Fig. 5 Disassembled view of distributor assembly. 1986 - 88:





1986 - 88

1. Remove distributor from engine.
2. Remove distributor cap and rotor, then the dust cover.
3. Remove ignition coil to distributor attaching screws, then the ignition coil.
4. Remove wire harness.
5. Remove igniter attaching screws and igniter.
6. Remove signal rotor set spring, then pry signal rotor from rotor shaft, Fig. 5.
7. Disconnect vacuum advance link from signal generator, then remove vacuum advance unit.
8. Remove attaching screws and signal generator.
9. Remove governor springs, signal rotor shaft retaining screw and signal rotor shaft.
10. Remove retaining rings and governor weights from signal rotor shaft.
11. Replace any worn and/or damaged parts as required.




1986 - 88
Reverse disassembly procedure to assemble distributor, then check air gap between signal rotor and signal generator using suitable feeler gauge. Air gap should be .008 - .016 inch.