lemon-mirror:
Home >> Chevrolet >> 1986 >> Spectrum L4-91.5 1.5L >> Repair and Diagnosis >> Powertrain Management >> Computers and Control Systems >> Main Relay (Computer/Fuel System) >> Locations

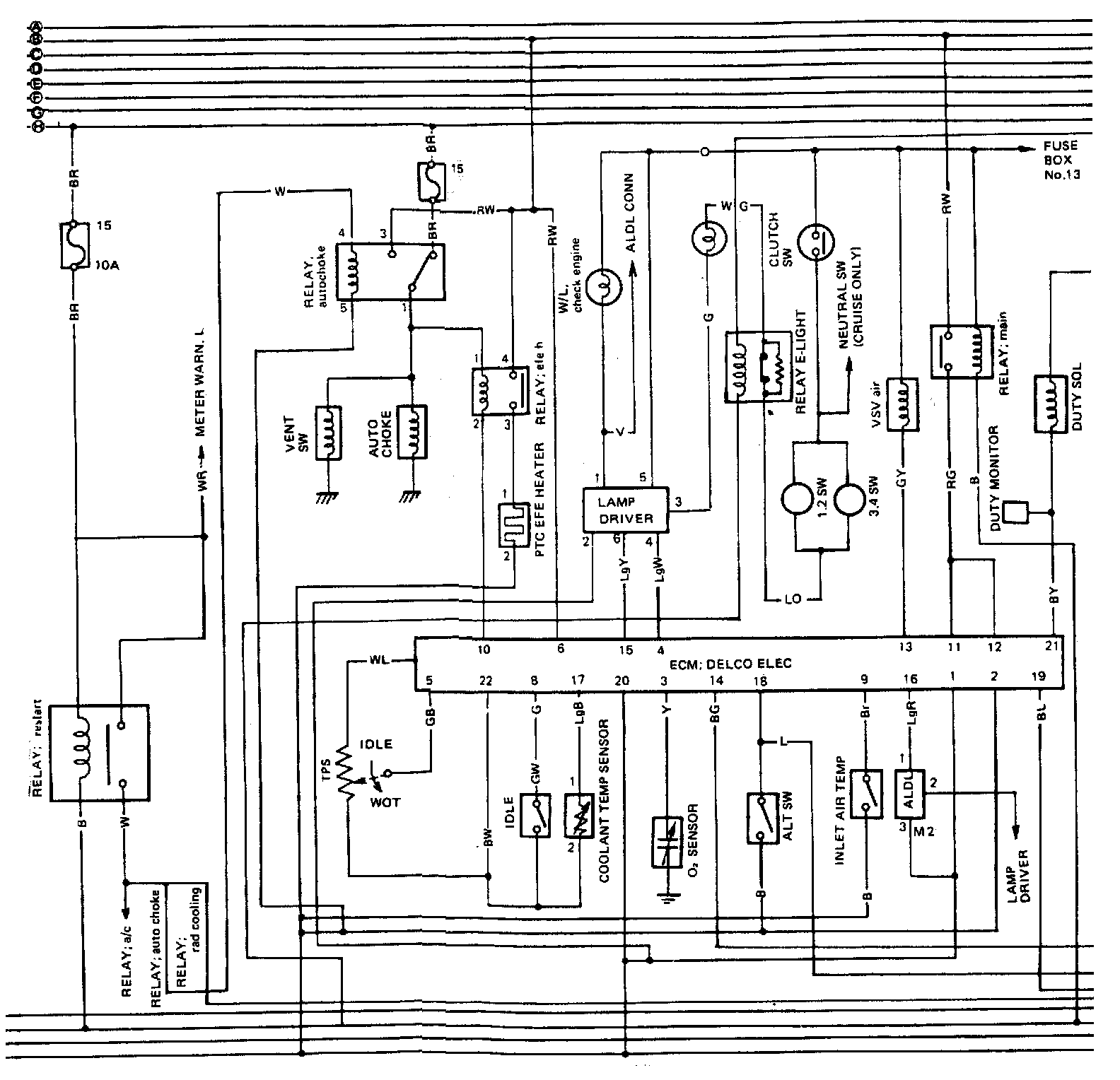
Main Relay (Computer/Fuel System): Locations

Power Source & Starting System:





OE does not provide and image location. The wiring diagram is shown with the Main Relay.