lemon-mirror:
Home >> Chevrolet >> 1986 >> Spectrum L4-91.5 1.5L >> Repair and Diagnosis >> Powertrain Management >> Computers and Control Systems >> Engine Control Module >> Technical Service Bulletins >> PROM - R&R Procedures & Precautions

PROM - R&R Procedures & Precautions


9216chevy01

Number: 89-324-6E

Section: 6E

Date: FEBRUARY 1991

Corporate Bulletin No.: 116510


Subject: ECM CALIBRATION PROM REVISED REPLACEMENT PROCEDURE


Model and Year: 1985-89 SPECTRUM WITH 1.5L ENGINE


SERVICE UPDATE

This bulletin serves to revise the Calibration PROM Installation Procedure on 1985 to 1989 Geo Spectrum 1.5L "R" Carline carbureted vehicles. When replacing the Calibration Prom use the following procedure:

SERVICE PROM REPLACEMENT:

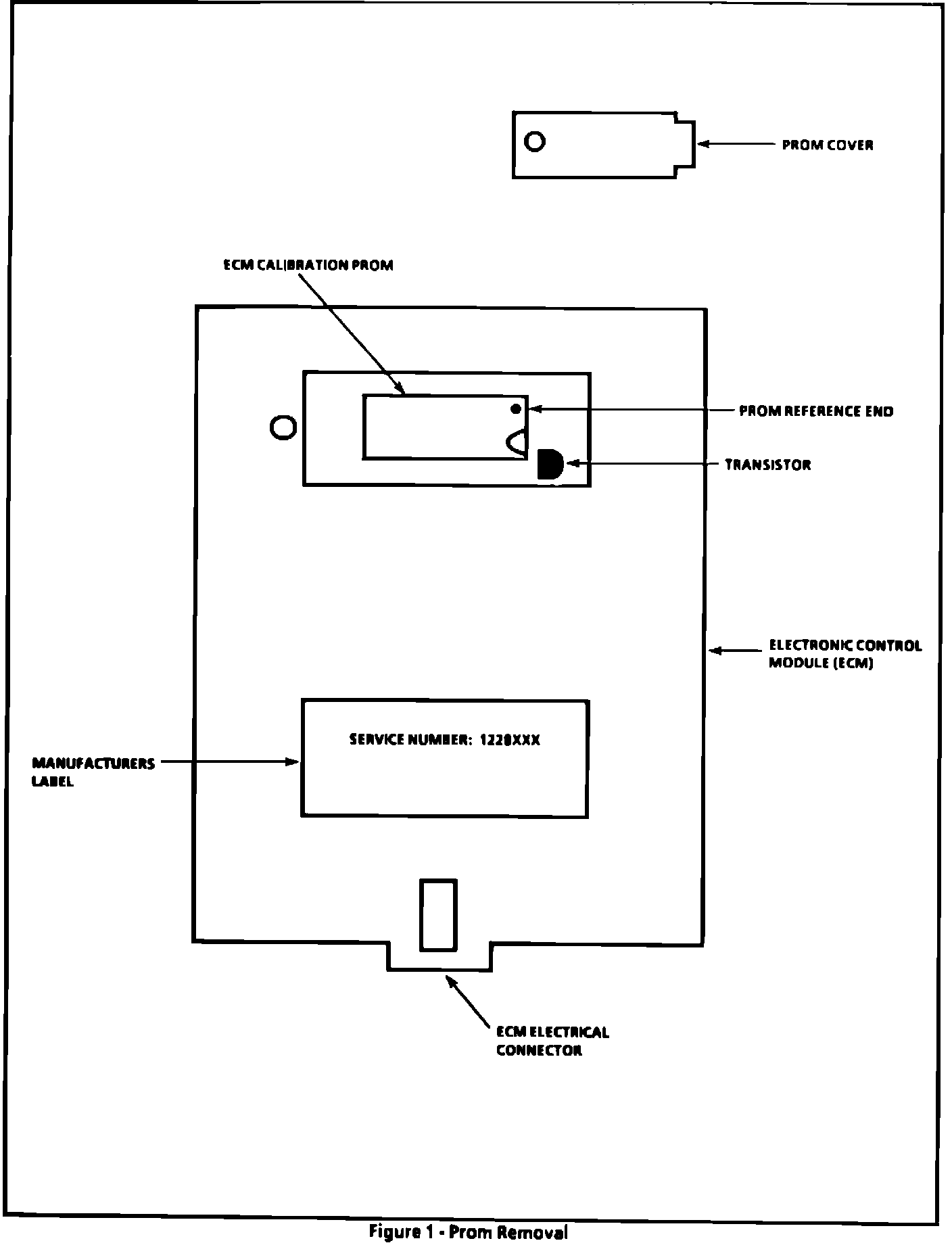
Figure 1:





PROM Removal: REFER TO FIGURE 1

1. Disconnect negative battery cable.
2. Remove passenger side lower trim panel.
3. Remove ECM retainer strap.
4. Remove the ECM from its mounting bracket.
5. Disconnect the ECM's electrical connector.
6. Remove PROM cover to access the PROM.
7. Carefully remove the PROM from the ECM by pulling up on the PROM equally at both ends.

Figure 2:





PROM Installation: REFER TO FIGURE 2

IMPORTANT When installing a service PROM, use due care not to force the PROM into its mounting socket as you may damage the PROM and/or the ECM.

1. INSTALL PROM IN THE ECM WITH THE REFERENCE END OF THE PROM POINTED TOWARDS THE TRANSISTOR MOUNTED NEAR THE PROM SOCKET.

2. Install PROM cover.
3. Reconnect the ECM's electrical connector.
4. Install the ECM in its mounting bracket.
5. Install retainer strap.
6. Install lower trim panel.
7. Reconnect negative battery cable.


IMPORTANT
* Start and run vehicle, then perform the Diagnostic Circuit Check in the "Driveability And Emissions" Section of the Service Manual.