lemon-mirror:
Home >> Chevrolet >> 1986 >> Chevette L4-98 1.6L >> Repair and Diagnosis >> Diagrams >> Components >> Relays >> Blower Relay

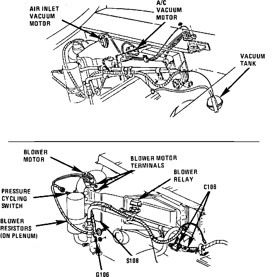
Blower Relay

RH Front Of Dash.:




RH Front Of Dash, On A/C Module

Applicable to: 1986 Chevette & 1000