lemon-mirror:
Home >> Chevrolet >> 1986 >> Caprice V8-350 5.7L >> Repair and Diagnosis >> Powertrain Management >> Computers and Control Systems >> Throttle Position Sensor >> Locations

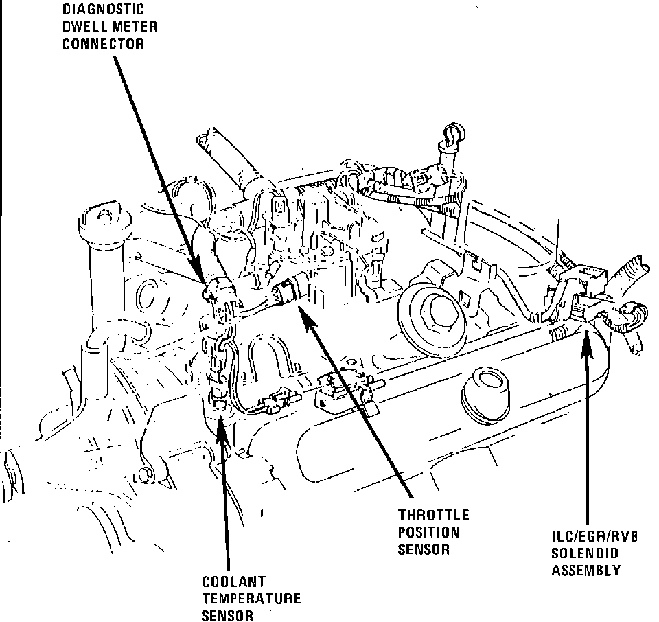
Throttle Position Sensor: Locations

Top LH Side Of Engine:




Top Center Of Engine

Applicable to: 1986 Parisienne, 1986-87 Brougham, Caprice, Custom Cruiser & Estate Wagon & 1987 Safari Wagon With V8-307/5.0L, VIN Y