lemon-mirror:
Home >> Chevrolet >> 1985 >> Sprint L3-61 1.0L >> Repair and Diagnosis >> Powertrain Management >> Ignition System >> Distributor >> Service and Repair >> Distributor Replacement

Distributor Replacement

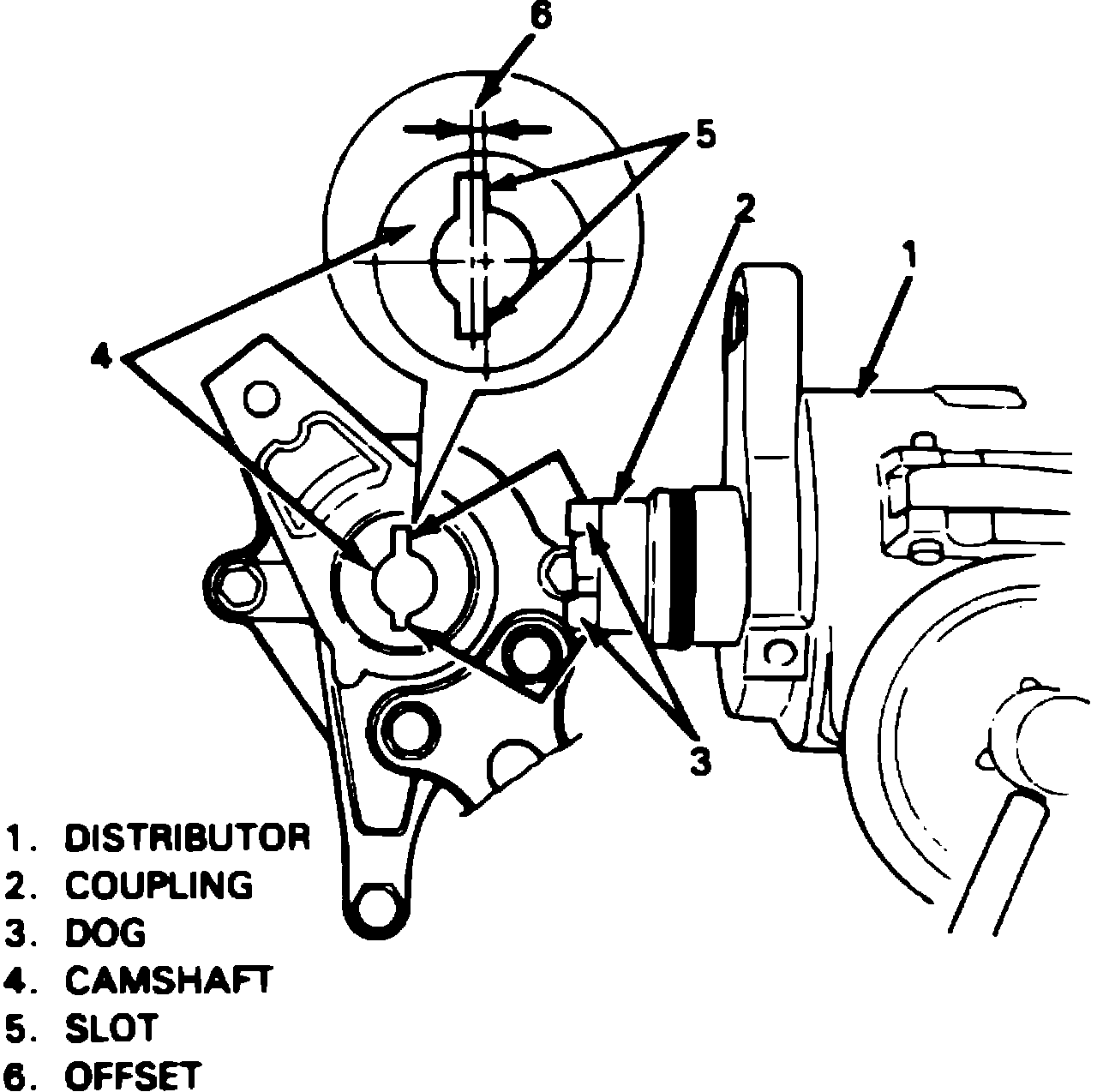
Fig. 3 Aligning distributor drive tang:





MODELS Less EFI & TURBOCHARGER
1. Disconnect battery ground cable.
2. Disconnect vacuum hose and electrical connector.
3. Disconnect spark plug cables by gripping cables at boots.
4. Remove distributor flange bolt, then distributor from cylinder head. Use suitable container to catch any oil that may drain from cylinder head when removing distributor.
5. Remove cap from distributor. Align distributor coupling tang with slots in camshaft, Fig. 3, and install distributor. Finger tighten flange bolt.
6. Install distributor cap on distributor and connect spark plug cables.
7. Connect vacuum line, distributor electrical connector, and battery ground cable.
8. Start engine and adjust ignition timing. Tighten distributor flange bolt.