lemon-mirror:
Home >> Chevrolet >> 1985 >> Caprice V8-305 5.0L >> Repair and Diagnosis >> Heating and Air Conditioning >> Control Assembly >> Service and Repair

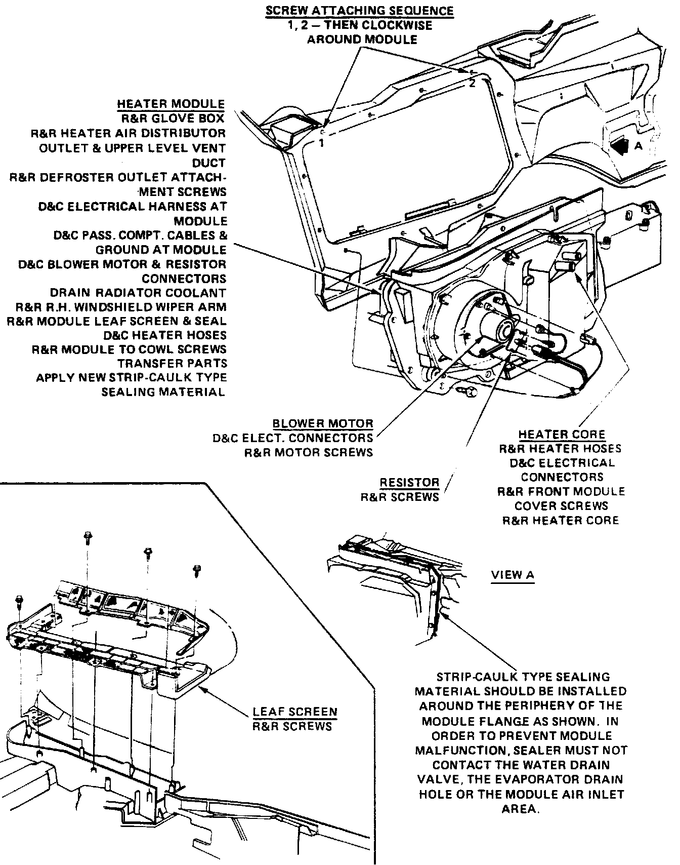
Control Assembly: Service and Repair















OE does not provide a step by step procedure for Removal and Installation. OE does provide a series of three images in place of a Removal and Installation procedure.