lemon-mirror:
Home >> Chevrolet >> 1982 >> Luv 2WD L4-110 1800cc >> Repair and Diagnosis >> Powertrain Management >> Computers and Control Systems >> Engine Control Module >> Service and Repair

Engine Control Module: Service and Repair

NOTE: The ECM is located behind the instrument panel. The ECM should only be replaced when diagnosis has actually detected a fault in the ECM.

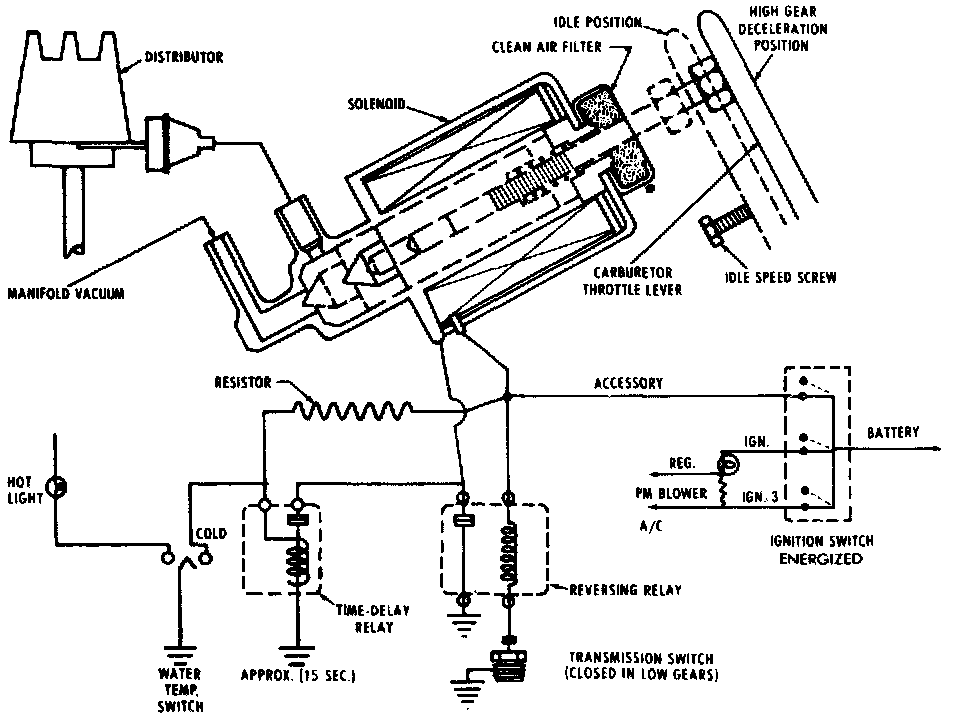
Fig. 26 - Combined Emission Control (CEC) System Schematic:






1. Remove ECM attaching screws, shield and bracket from instrument panel, then disconnect electrical connector and remove ECM--Fig 26.
2. Reverse procedure to install.