lemon-mirror:
Home >> Chevrolet >> 1982 >> Citation L4-151 2.5L >> Repair and Diagnosis >> Powertrain Management >> Computers and Control Systems >> Throttle Position Sensor >> Locations

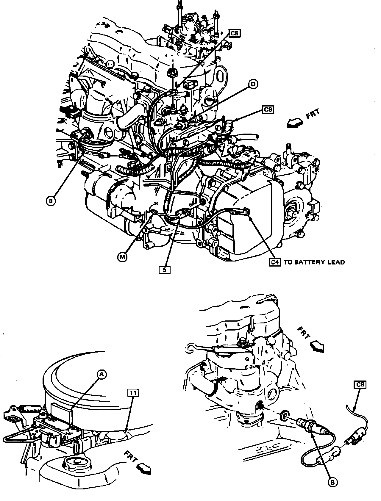
Throttle Position Sensor: Locations

Engine & Underhood Components (Part 1 Of 3):




Engine & Underhood Components (Part 2 Of 3):




Engine & Underhood Components (Part 3 Of 3):




Rear Of Engine

Applicable to: Citation, Phoenix & Skylark w/4 Cylinder Engine

Rear Side Of Engine.:




Rear Of Engine

Applicable to: 1982-85 Citation w/4 Cylinder Engine