lemon-mirror:
Home >> Chevrolet >> 1982 >> Chevette L4-98 1.6L >> Repair and Diagnosis >> Diagrams >> Components >> Switches >> Brake Pressure Switch

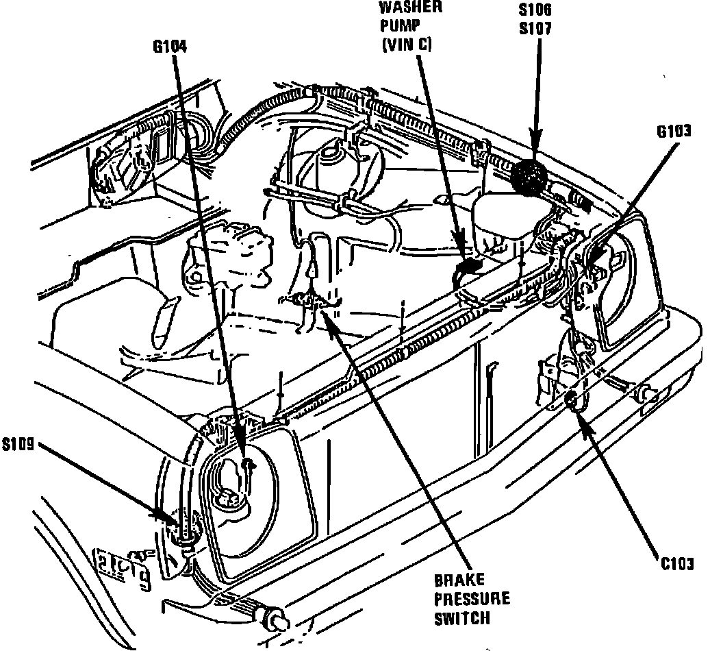
Brake Pressure Switch

Front Of Engine Compartment:




On LH Front Wheelwell