lemon-mirror:
Home >> Cadillac >> 2013 >> XTS FWD V6-3.6L >> Repair and Diagnosis >> Powertrain Management >> Computers and Control Systems >> Battery Current Sensor >> Locations

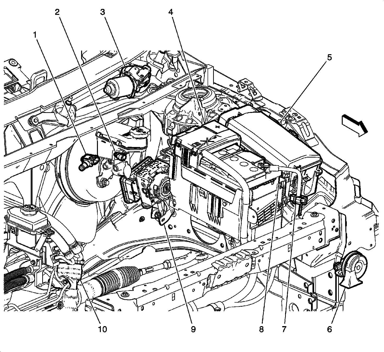
Battery Current Sensor: Locations





Front of Vehicle/Engine Compartment Component Views

Engine Compartment Components - Left Side