lemon-mirror:
Home >> Cadillac >> 2012 >> CTS Sedan AWD V6-3.0L >> Repair and Diagnosis >> Powertrain Management >> Computers and Control Systems >> Engine Control Module >> Diagrams >> Engine Control Module (ECM) X2 (LFW or LFX)

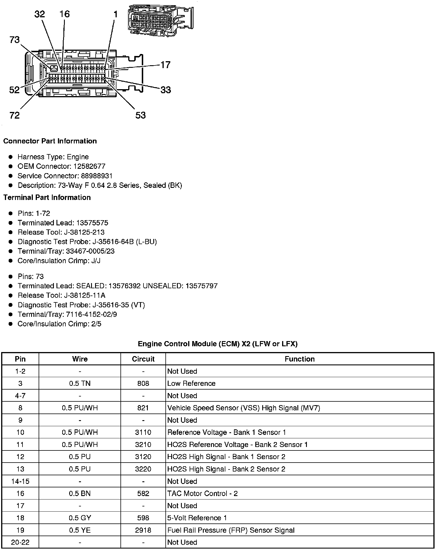
Engine Control Module (ECM) X2 (LFW or LFX)




Component Connector End Views

Engine Control Module (ECM) X2 (LFW or LFX)