lemon-mirror:
Home >> Cadillac >> 2012 >> CTS Sedan AWD V6-3.0L >> Repair and Diagnosis >> Powertrain Management >> Computers and Control Systems >> Battery Current Sensor >> Service and Repair

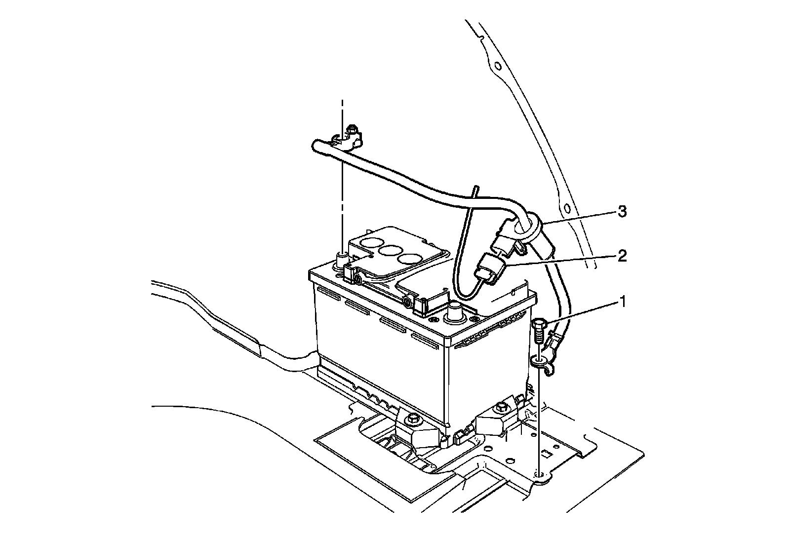
Battery Current Sensor: Service and Repair




Battery Current Sensor Replacement