lemon-mirror:
Home >> Cadillac >> 2011 >> DTS V8-4.6L >> Repair and Diagnosis >> Powertrain Management >> Computers and Control Systems >> Engine Control Module >> Locations >> Left Front Corner of the Engine Compartment

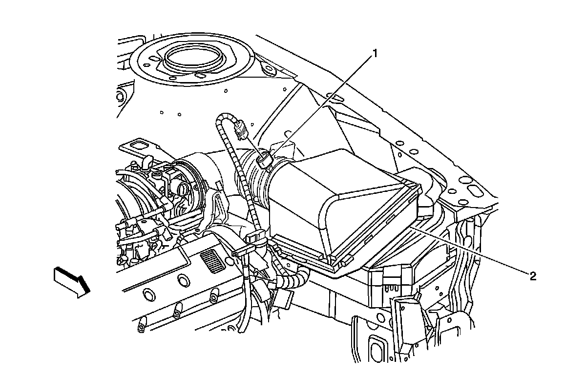
Left Front Corner of the Engine Compartment




Powertrain Component Views

Left Front Corner of the Engine Compartment




1 - Mass Air Flow (MAF) / Intake Air Temperature (IAT) Sensor
2 - Engine Control Module (ECM), in the Air Cleaner Assembly