lemon-mirror:
Home >> Cadillac >> 2010 >> SRX FWD V6-3.0L >> Repair and Diagnosis >> Diagrams >> Electrical Diagrams >> Powertrain Management >> Computers and Control Systems >> Body Control Module

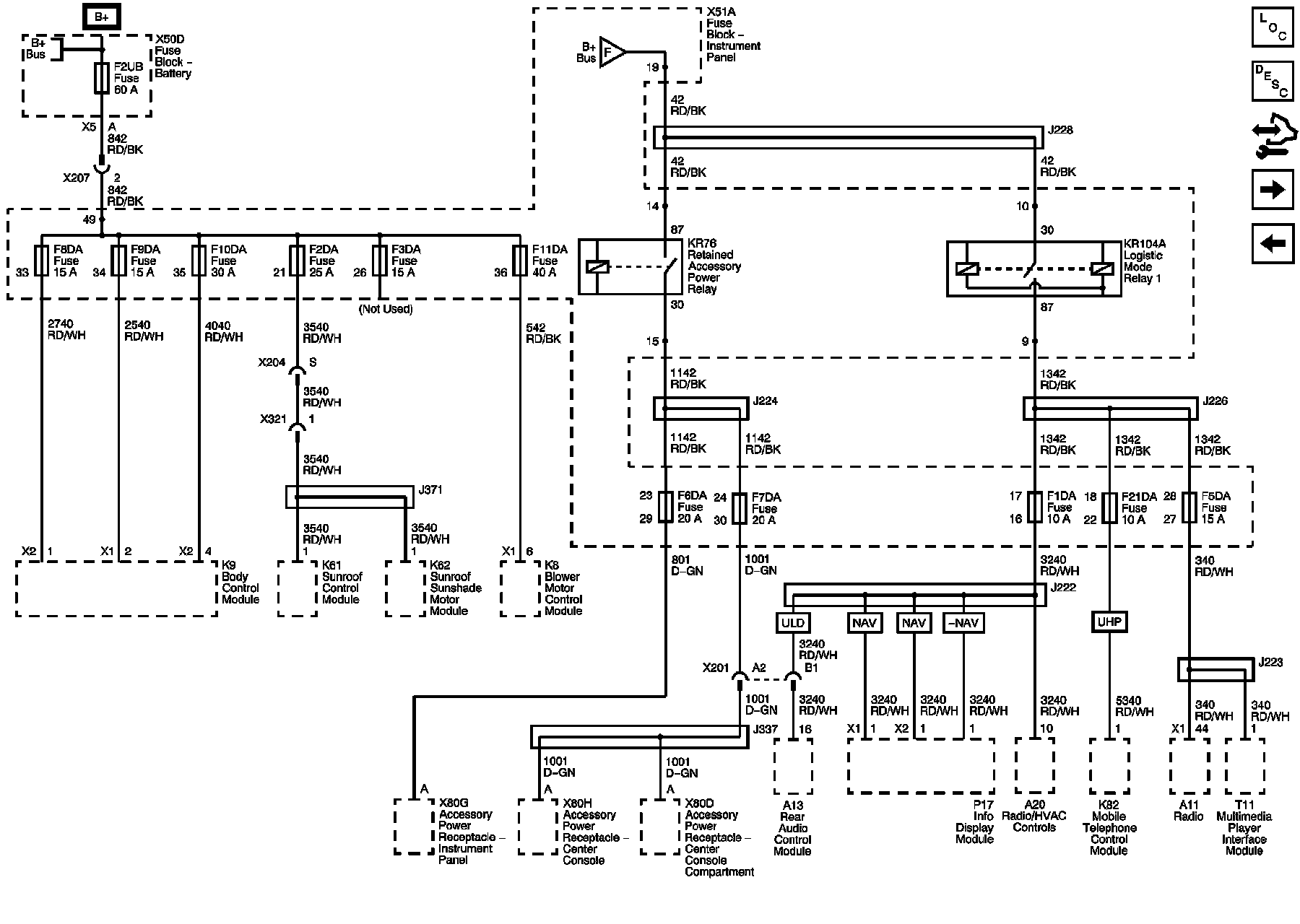
Body Control Module




Power Distribution Schematics

F2UB, F1DA, F2DA, F3DA, F6DA, F7DA, F8DA, F9DA, F10DA, F11DA, D21DA, and F22DA Fuses