lemon-mirror:
Home >> Cadillac >> 2010 >> DTS V8-4.6L >> Repair and Diagnosis >> Specifications >> Mechanical Specifications >> Engine >> Oil Pump, Engine

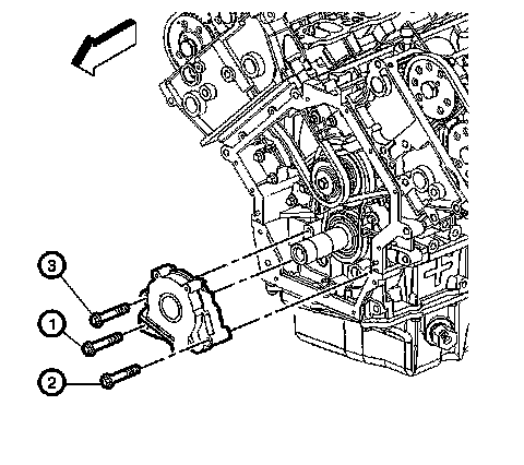
Oil Pump, Engine

Oil pump





First Pass 10 Nm (89 lb in)
Final Pass additional 35 degrees