lemon-mirror:
Home >> Cadillac >> 2010 >> DTS V8-4.6L >> Repair and Diagnosis >> Powertrain Management >> Computers and Control Systems >> Body Control Module >> Diagrams >> Electrical Diagrams

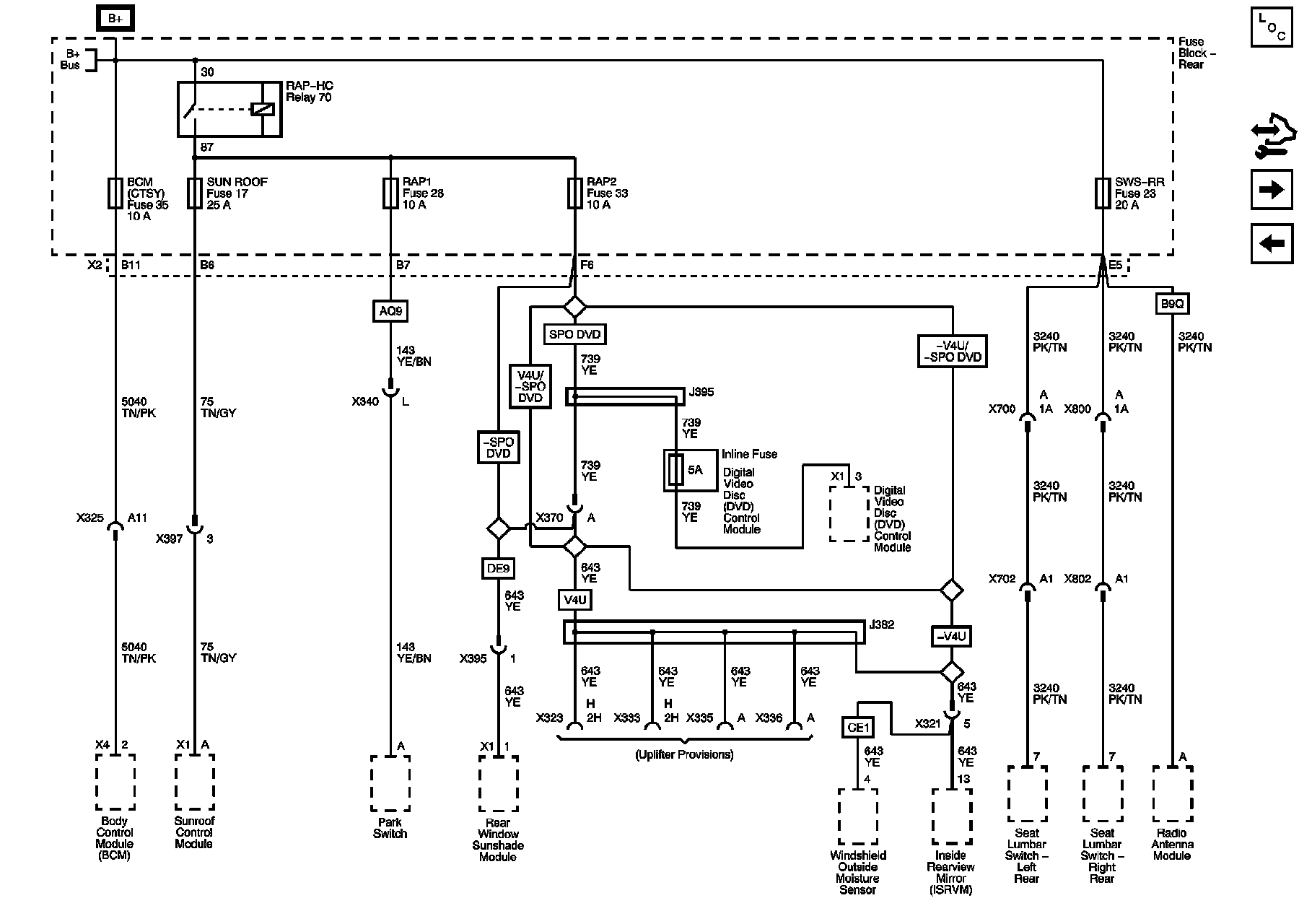
Electrical Diagrams




Power Distribution Schematics

Rear Fuse Block - RAP Relay, CTSY/RF TRN, S/ROOF, SHFTR SOL, RAP, REAR SEAT LUM Fuses