lemon-mirror:
Home >> Cadillac >> 2009 >> XLR V8-4.6L >> Repair and Diagnosis >> Diagrams >> Exploded Views >> Convertible Top

Convertible Top




Folding Top Disassembled View

Folding Top Structure




1 - Folding Top Quarter Longitudinal Frame Support
2 - Folding Top Quarter Frame Support
3 - Non-Serviced Part of Folding Top Module Assembly
4 - Folding Top Support Bracket

Folding Top Front Compartment




1 - Folding Top Rear Window
2 - Folding Top Rear Panel Weatherstrip - Lower
3 - Folding Top Panel - Rear
4 - Folding Top Quarter Window
4 - Folding Top Quarter Window
5 - Quarter Window Outer Belt Sealing Strip
6 - Quarter Window Outer Belt Sealing Strip Retainer
7 - Folding Top Weatherstrip - Side Front
8 - Folding Top Panel - Front
9 - Folding Top Weatherstrip Retainer - Side Front
10 - Folding Top Rear Panel Weatherstrip - Upper

Folding Top Front Compartment Latching




1 - Folding Top Panel - Front
2 - Folding Top Locating Pin - Front
2 - Folding Top Locating Pin - Front
3 - Folding Top Panel Link - Front
4 - Folding Top Latch - Front
4 - Folding Top Latch - Front
5 - Folding Top Latch Cable - Front
5 - Folding Top Latch Cable - Front
6 - Folding Top Latch Hydraulic Cylinder - Front
6 - Folding Top Latch Hydraulic Cylinder - Front
7 - Folding Top Hydraulic Cylinder Hose - All
7 - Folding Top Hydraulic Cylinder Hose - All
8 - Folding Top Locating Pin Receiver - Front
8 - Folding Top Locating Pin Receiver - Front
9 - Folding Top Locating Pin Receiver Position Sensor Switch - Front
10 - Folding Top Latch Position Sensor Switch - Front
11 - Folding Top Potentiometer

Folding Top Front Compartment Link




1 - Folding Top Pivot Link Bracket - Rear Upper
2 - Folding Top Pivot Link Bracket - Rear Lower
3 - Folding Top Panel Link - Front
4 - Folding Top Panel Hold Down Link - Front
5 - Folding Top Quarter Longitudinal Frame Support
6 - Folding Top Quarter Frame Support
7 - Folding Top Panel Strut Actuator
8 - Folding Top Hydraulic Cylinder Hose - All
9 - Folding Top Hydraulic Cylinder
10 - Folding Top Striker - Rear

Folding Top Rear Compartment Actuator




1 - Folding Top Storage Compartment Panel Hydraulic Cylinder - Rear
1 - Folding Top Storage Compartment Panel Hydraulic Cylinder - Rear
2 - Folding Top Compartment Lid Hydraulic Cylinder - Rear
2 - Folding Top Compartment Lid Hydraulic Cylinder - Rear
3 - Folding Top Compartment Lid Position Sensor Switch - Rear
4 - Folding Top Storage Compartment Panel Position Switch - Rear
4 - Folding Top Storage Compartment Panel Position Switch - Rear

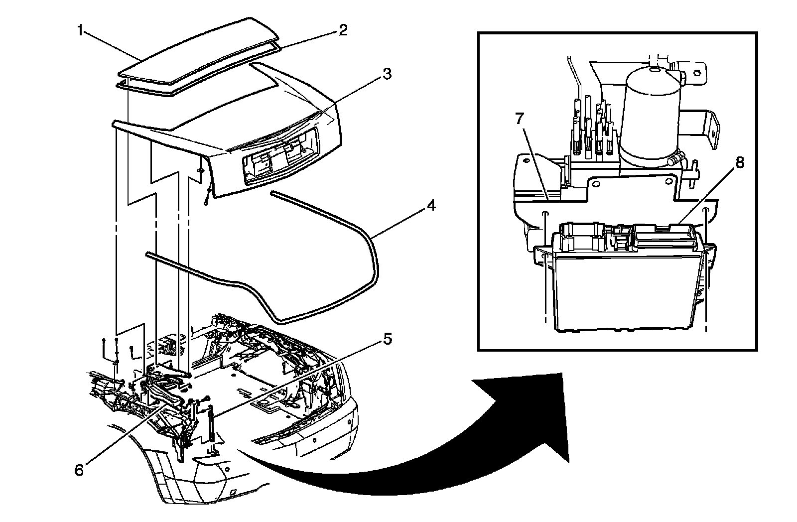
Folding Top Rear Compartment




1 - Folding Top Storage Compartment Panel - Rear
2 - Folding Top Storage Compartment Panel Seal - Rear
3 - Folding Top Compartment Lid - Rear
4 - Folding Top Compartment Lid Seal - Rear
5 - Folding Top Compartment Lid Strut Actuator - Rear
6 - Folding Top Compartment Lid Link - Rear
7 - Folding Top Pump and Motor
8 - Folding Top Control Module

Folding Top Front Storage Compartment




1 - Folding Top Storage Compartment Closeout Panel - Front Outer
1 - Folding Top Storage Compartment Closeout Panel - Front Outer
2 - Folding Top Storage Compartment Closeout Panel - Front
3 - Folding Top Storage Compartment Closeout Panel Hinge - Front
4 - Folding Top Storage Compartment Closeout Panel Link - Front
5 - Folding Top Storage Compartment Closeout Panel Hydraulic Cylinder - Front
5 - Folding Top Storage Compartment Closeout Panel Hydraulic Cylinder - Front
6 - Folding Top Hydraulic Cylinder Hose - All
6 - Folding Top Hydraulic Cylinder Hose - All
7 - Folding Top Storage Compartment Closeout Panel Potentiometer - Front