lemon-mirror:
Home >> Cadillac >> 2009 >> STS AWD V6-3.6L >> Repair and Diagnosis >> Body and Frame >> Frame >> Subframe >> Front Subframe >> Service and Repair

Front Subframe: Service and Repair


Drivetrain and Front Suspension Frame Replacement

Special Tools

- J 24319-B Steering Linkage and Tie Rod Puller

- J 39580 Engine Support Stand

Removal Procedure

1.Install the engine support fixture. Refer to the following procedures:

- Engine Support Fixture for the 3.6L (LY7) engine

- Engine Support Fixture for the 4.4L (LC3) engine

- Engine Support Fixture for the 4.6L (LH2) engine

2.Raise and support the vehicle. Refer to Lifting and Jacking the Vehicle .

3.Remove the front wheels. Refer to Tire and Wheel Removal and Installation .

4.Remove the front air deflector. Refer to Front Air Deflector Replacement Front Air Deflector Replacement .





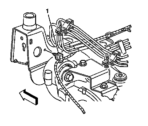
5.Disconnect the electrical harness retainers (1) securing the engine harness to the frame.





6.Disconnect the left rearward retainer (1).





7.Disconnect the right rearward retainer (1).





8.Disconnect the antilock brake wiring harness from the lower control arms.

9.Disconnect the brake lines from the frame.





10.Using mechanics wire (3), support the radiator and AC condenser assembly to the front inner energy absorber bracket bolt (1).





11.Remove the washer bottle bracket nuts and bracket (3).

12.Loosen the brake pressure modulator valve (BPMV) nuts (1) in order to separate the BPMV (2) from the bracket assembly.





Note:Mark the stabilizer shaft to ensure the correct position when reinstalling.

13.Loosen the stabilizer shaft mounting bolts.





14.Remove the lower stabilizer shaft link retaining nut.

15.Remove the stabilizer shaft link from the lower control arm.





16.Remove the power steering pressure hose retaining nut from the air conditioning compressor.

17.Position power steering pressure hose aside.





18.Remove the power steering gear mounting bolts.





19.Using mechanics wire (4), support the power steering gear (3) to the bolt bracket installed in the oil pan.





20.Remove the outer tie rod retaining nut.





21.Using J 24319-B , remove the outer tie rod.





22.Remove the lower shock bolts (1).

Note:The brake calipers do not need to be removed from the knuckle assembly.

23.Disconnect the lower ball joint from the steering knuckle and position the knuckle assembly away from the lower control arms. Refer to Lower Control Arm Replacement .





24.Remove the engine mounts lower retaining nuts (2).





25.Install the J 39580 .

26.Lower the vehicle to the frame support table.

27.Remove the frame mounting bolts (2).

28.With the aid of an assistant, carefully raise the body from the frame.

29.Ensure when raising the body, the following items are clear from the frame:

-The brake pipes

-The steering knuckle assembly

-The wheel speed sensor (WSS) electrical harness





30.Remove the lower control arms. Refer to Lower Control Arm Replacement .

31.Remove the stabilizer shaft. Refer to Stabilizer Shaft Replacement .

32.With the aid of an assistant, remove the frame from the support fixture.

Installation Procedure

1.Install the lower control arm to the frame. Refer to Lower Control Arm Replacement .

2.Install the stabilizer shaft to the frame. Refer to Stabilizer Shaft Replacement .

Do not tighten the stabilizer shaft mounting bolts at this time.





3.With the aid of an assistant, position and secure the new frame assembly to the support fixture.

4.With the aid of an assistant, carefully lower the body to the frame.

5.Ensure the following components are clear from the frame:

-The electrical harness

-The steering knuckle assembly

-The brake pipes

Caution:Refer to Fastener Caution .





6.Install the frame mountings bolts (2) and tighten to191 N �m (141 lb ft).

7.Raise the vehicle.





8.Install the engine mount lower retaining nuts (2) and tighten to50 N �m (37 lb ft).

9.Remove the J 39580 .





10.Remove the mechanics wire (4) supporting the power steering gear (3).





11.Install the power steering gear mounting bolts and tighten to95 N �m (70 lb ft).





12.Install the ball joint to the steering knuckle.

13.Install the lower ball joint retaining nut and tighten to20 N �m (15 lb ft) plus an additional 210 degree rotation.





14.Install the outer tie rod to the steering knuckle.

15.Install the outer tie rod to steering knuckle retaining nut and tighten to70 N �m (52 lb ft).





Note:Ensure correct position from the previously marked spots.

16.Tighten the stabilizer shaft bolts to60 N �m (44 lb ft).





17.Install the stabilizer shaft link to the lower control arms.

18.Install the stabilizer shaft link nuts and tighten to50 N �m (37 lb ft).





19.Install the lower shock mounting bolts (1) and tighten to25 N �m (18 lb ft).





20.Install the BPMV nuts (1) and tighten to10 N �m (89 lb in).

21.Install the washer bottle bracket and nuts (3) and tighten to10 N �m (89 lb in).





22.Remove the mechanics wire (3) supporting the radiator.

23.Secure the energy absorber bracket nut (1) and tighten to25 N �m (18 lb ft).





24.Install the antilock brake wiring harness to the lower control arms.





25.Secure the right rearward retainer (1).





26.Secure the left rearward retainer (1).





27.Secure the engine electrical harness retainers (1) to the frame.

28.Install the front air deflector. Refer to Front Air Deflector Replacement Front Air Deflector Replacement .

29.Install the front tires and wheels. Refer to Tire and Wheel Removal and Installation .

30.Lower the vehicle.

31.Remove the engine support fixture. Refer to the following procedures:

- Engine Support Fixture for the 3.6L (LY7) engine

- Engine Support Fixture for the 4.4L (LC3) engine

- Engine Support Fixture for the 4.6L (LH2) engine

32.Align the vehicle. Refer to Wheel Alignment Measurement .