lemon-mirror:
Home >> Cadillac >> 2009 >> SRX RWD V8-4.6L >> Repair and Diagnosis >> Diagrams >> Connector Views >> Engine Control Module

Engine Control Module




Component Connector End Views

Engine Control Module (ECM) X1 (LH2)










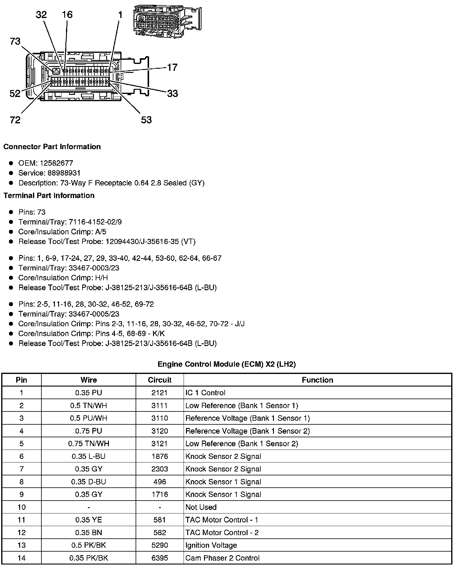
Engine Control Module (ECM) X2 (LH2)














Engine Control Module (ECM) X3 (LH2)