lemon-mirror:
Home >> Cadillac >> 2009 >> DTS V8-4.6L >> Repair and Diagnosis >> Powertrain Management >> Computers and Control Systems >> Coolant Temperature Sensor/Switch (For Computer) >> Service and Repair

Coolant Temperature Sensor/Switch (For Computer): Service and Repair




Engine Coolant Temperature Sensor Replacement

Removal Procedure

Caution: Use care when handling the coolant sensor. Damage to the coolant sensor will affect the operation of the fuel control system.




1. Remove the fuel injector sight shield. Refer to Fuel Injector Sight Shield Replacement (Service and Repair).
2. Drain the cooling system. Refer to Cooling System Draining and Filling (Vac-N-Fill) (Service and Repair)Cooling System Draining and Filling (Static Fill) (Service and Repair).
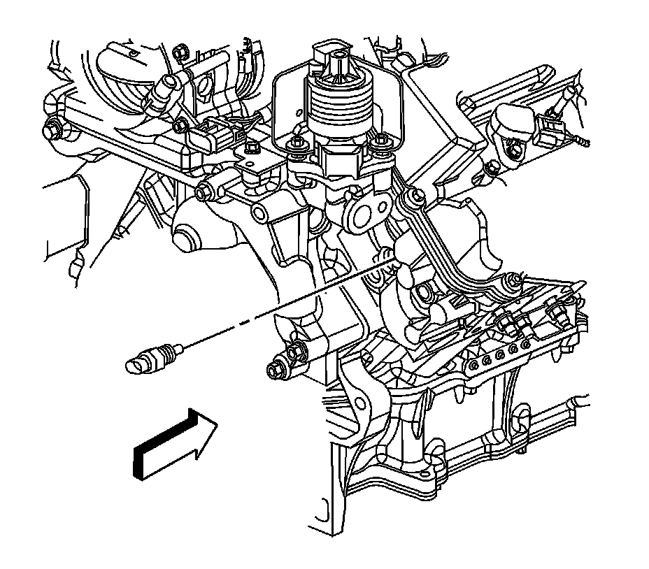
3. Disconnect the engine harness electrical connector (6) from the engine coolant temperature (ECT) sensor.




4. Remove the ECT sensor.

Installation Procedure

Caution: Use care when handling the coolant sensor. Damage to the coolant sensor will affect the operation of the fuel control system.

Caution: Replacement components must be the correct part number for the application. Components requiring the use of the thread locking compound, lubricants, corrosion inhibitors, or sealants are identified in the service procedure. Some replacement components may come with these coatings already applied. Do not use these coatings on components unless specified. These coatings can affect the final torque, which may affect the operation of the component. Use the correct torque specification when installing components in order to avoid damage.




1. Apply sealant GM P/N 12346004 (Canadian P/N 10953480) or equivalent to the threads of the ECT sensor.

Caution: Refer to Fastener Caution (Fastener Caution).

2. Install the ECT sensor.

Tighten the sensor to 20 Nm (15 lb ft).




3. Connect the engine harness electrical connector (6) to the ECT sensor.
4. Fill the cooling system. Refer to Cooling System Draining and Filling (Vac-N-Fill) (Service and Repair)Cooling System Draining and Filling (Static Fill) (Service and Repair).
5. Install the fuel injector sight shield. Refer to Fuel Injector Sight Shield Replacement (Service and Repair).