lemon-mirror:
Home >> Cadillac >> 2009 >> DTS V8-4.6L >> Repair and Diagnosis >> Diagrams >> Components >> Powertrain Component Views

Powertrain Component Views




Powertrain Component Views

EVAP Purge Solenoid and EGR Valve (LD8/L37)




1 - Evaporative Emission (EVAP) Canister Purge Solenoid Valve
2 - Exhaust Gas Recirculation (EGR) Valve

HO2S Sensor 2 (Post HO2)




1 - Heated Oxygen Sensor (HO2S) 2

Starter and Generator Harness




1 - Valve Cover
2 - X161
3 - Starter Motor
4 - Generator Terminal
5 - Generator Inline Fuse (V4U)

G112, G114, and G115 (LD8/L37)




1 - Exhaust Manifold
2 - G114
3 - G112
4 - G115

Secondary Air Injection (AIR) Pump




1 - Secondary Air Injection (AIR) Pump

Rear of Engine Compartment, on the Top Rear of the Engine




1 - Secondary Air Injection (AIR) Check Valve (NU6)

Left Front Corner of the Engine Compartment




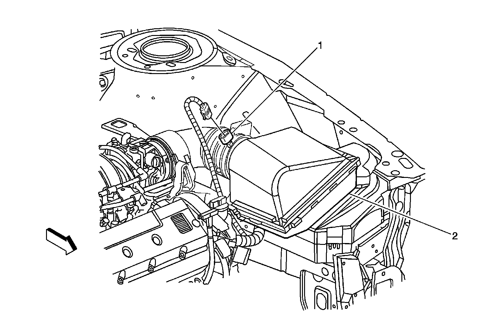
1 - Mass Air Flow (MAF) / Intake Air Temperature (IAT) Sensor
2 - Engine Control Module (ECM), in the Air Cleaner Assembly

Electronic Component Views 4T80E




1 - Torque Converter Clutch Pulse Width Modulated (TCC PWM) Solenoid Valve
2 - Pressure Control Solenoid (PCS) Valve
3 - Automatic Transmission Input (Shaft) Speed Sensor (ISS)
4 - Vehicle Speed Sensor (VSS)
5 - 1-2 and 2-3 Shift Solenoid (1-2 SS) (2-3 SS) Valves
6 - Internal Mode Switch (IMS)
7 - Automatic Transmission Fluid Temperature (TFT) Sensor

Top of the Engine (L37/LD8)




1 - Starter Motor
2 - Manifold Absolute Pressure (MAP) Sensor
3 - Throttle Body Assembly
4 - Fuel Injector 8
5 - Ignition Coil/Module 8
6 - Fuel Injector 6
7 - Ignition Coil/Module 6
8 - Knock Sensor (KS) 2
9 - Fuel Injector 4
10 - Ignition Coil/Module 4
11 - Ignition Coil/Module 2
12 - Fuel Injector 2
13 - Crankshaft Position (CKP) Sensor
14 - Knock Sensor (KS) 1
15 - Camshaft Position (CMP) Sensor
16 - Ignition Coil/Module 1
17 - Ignition Coil/Module 3
18 - Fuel Injector 1
19 - Ignition Coil/Module 5
20 - Fuel Injector 3
21 - Ignition Coil/Module 7
22 - Fuel Injector 5
23 - Fuel Injector 7

Front of the Engine (L37/LD8)




1 - Valve Cover
2 - Ignition Coil/Module 2
3 - Ignition Coil/Module 4
4 - Ignition Coil/Module 6
5 - Ignition Coil/Module 8
6 - Heated Oxygen Sensor (HO2S) Bank 2 Sensor 1
7 - Engine Oil Pressure (EOP) Switch

Rear of the Engine (L37/LD8)




1 - Throttle Body Assembly
2 - Manifold Absolute Pressure (MAP) Sensor
3 - Valve Cover
4 - Heated Oxygen Sensor (HO2S) Bank 1 Sensor 1
5 - Engine Coolant Temperature (ECT) Sensor
6 - Heated Oxygen Sensor (HO2S) Bank 2 Sensor 2

Left Side of Engine (LD8/L37)




1 - Engine - 4.6L
2 - A/C Compressor Clutch
3 - Generator
4 - G110

Near the Rear Cylinder Head (LD8/L37)




1 - Exhaust Gas Recirculation (EGR) Valve
2 - Valve Cover
3 - G100
4 - Engine Coolant Temperature (ECT) Sensor