lemon-mirror:
Home >> Cadillac >> 2008 >> STS RWD V6-3.6L >> Repair and Diagnosis >> Diagrams >> Components >> Instrument Panel/Center Console Component Views

Instrument Panel/Center Console Component Views



Instrument Panel/Center Console Component Views

Instrument Panel and Console




1 - Head Up Display (HUD) (UV6)
2 - Speaker - Left Front I/P
3 - Instrument Panel Cluster (IPC)
4 - Turn Signal/Multifunction Switch
5 - Inflatable Restraint Steering Wheel Module
6 - Windshield Wiper/Washer Switch
7 - Sunload Sensor
8 - Speaker - Center I/P
9 - Radio
10 - Speaker - Right Front I/P
11 - Inflatable Restraint I/P Module
12 - HVAC Control Module
13 - Heated Seat Switch - Left Rear
14 - Heated Seat Switch - Right Rear
15 - Speaker Console - Rear(UY5)
16 - Accessory Power Outlet - Rear
17 - HVAC Control Module - Auxiliary (KA6)
18 - Steering Wheel Control Switch - Right
19 - Steering Wheel Control Switch - Left
20 - Data Link Connector (DLC)
21 - I/P Dimmer Switches

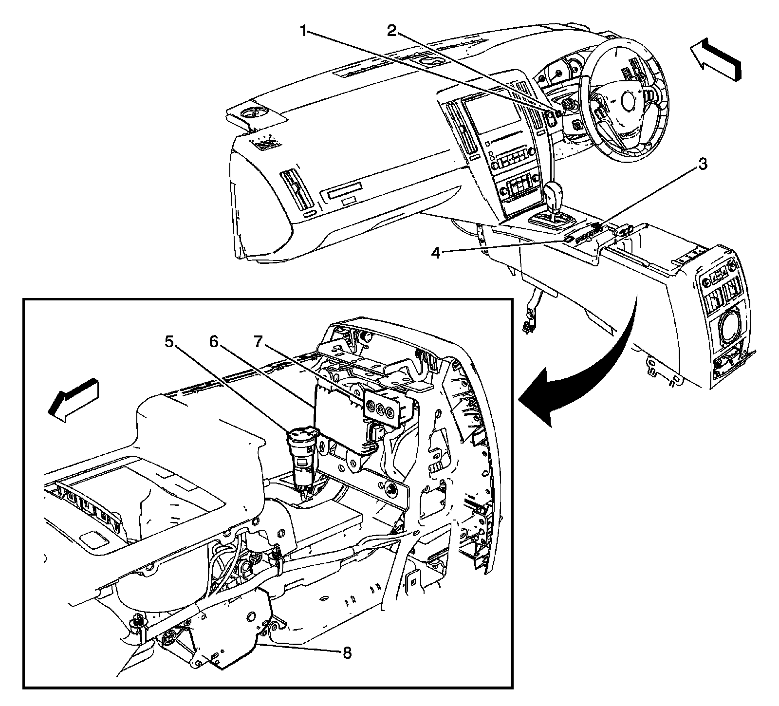
Instrument Panel and Console




1 - Mode Actuator-Auxiliary
2 - Hazard Warning Switch
3 - Air Temperature Sensor-Inside
4 - Ignition Mode Switch
5 - Traction Control Switch (TCS)
6 - Audio/Video Adapter (YQ4/YQ6/YQ7)
7 - Accessory Power Outlet - Center Console
8 - Keyless Entry Antenna

Instrument Panel and Console (RHD)




1 - Ignition Mode Switch
2 - Air Temperature Sensor-Inside
3 - Traction Control Switch (TCS)
4 - Hazard Warning Switch
5 - Accessory Power Outlet - Center Console
6 - Keyless Entry Antenna
7 - Audio/Video Adapter (YQ4/YQ6/YQ7)
8 - Mode Actuator - Auxiliary