lemon-mirror:
Home >> Cadillac >> 2008 >> DTS V8-4.6L >> Repair and Diagnosis >> Specifications >> Mechanical Specifications >> Engine >> System Specifications >> Fastener Tightening Specifications

Fastener Tightening Specifications



Fastener Tightening Specifications


















Cylinder Head

Left Side





Important: DO NOT reuse the old M11 cylinder head bolts.


Step 1. Install new M11 cylinder head bolts in the cylinder head.
Step 2. Install the M6 cylinder head bolts at the front of the cylinder head.






Notice: Ensure the cylinder head bolts that are being used are the proper pitch or engine damage will occur. The thread pitch on the M11 cylinder head bolts and the engine block cylinder head bolt holes have been revised. In order to prevent engine damage it is important to identify which thread pitch is being used. Cylinder head bolts with a pitch of 1.5 mm have a thread length of about 48 mm (1.890 in) long. Cylinder head bolts with a pitch of 2.0 mm have a thread length of about 67 mm (2.638 in) long.

Step 3. Tighten the left cylinder head bolts in the sequence shown.
First Pass: Tighten the left cylinder head M11 cylinder head bolts to 30 N.m (22 lb ft)
Second Pass: Using the J 45059, tighten the left cylinder head M11 cylinder head bolts an additional 60 degrees
Third Pass: Repeat the sequence turning each bolt another 60 degrees
Final Pass: Repeat the sequence again turning each bolt a final 60 degrees, total 180 degrees
Step 4. Tighten the M6 bolts at the front of the cylinder head to 12 N.m (106 lb in)

Right Side





Important: DO NOT reuse the old M11 cylinder head bolts.


Step 1. Install new M11 cylinder head bolts in the cylinder head.
Step 2. Install the M6 cylinder head bolts at the front of the cylinder head.






Notice: Ensure the cylinder head bolts that are being used are the proper pitch or engine damage will occur. The thread pitch on the M11 cylinder head bolts and the engine block cylinder head bolt holes have been revised. In order to prevent engine damage it is important to identify which thread pitch is being used. Cylinder head bolts with a pitch of 1.5 mm have a thread length of about 48 mm (1.890 in) long. Cylinder head bolts with a pitch of 2.0 mm have a thread length of about 67 mm (2.638 in) long.

Step 3. Tighten the left cylinder head bolts in the sequence shown.
First Pass: Tighten the left cylinder head M11 cylinder head bolts to 30 N.m (22 lb ft)
Second Pass: Using the J 45059, tighten the left cylinder head M11 cylinder head bolts an additional 60 degrees
Third Pass: Repeat the sequence turning each bolt another 60 degrees
Final Pass: Repeat the sequence again turning each bolt a final 60 degrees, total 180 degrees
Step 4. Tighten the M6 bolts at the front of the cylinder head to 12 N.m (106 lb in)

Intake Manifold





Tighten the intake manifold bolts in sequence (1-10) to 10 N.m (89 lb in)

Camshaft Bearing Cap

Left Side






Install the camshaft bearing cap bolts in sequence.
Step 1. Alternately hand tighten the camshaft bearing cap bolts a few turns at a time until all caps are fully seated.
Step 2. Tighten the camshaft bearing cap bolts to 5 N.m (44 lb in).
Step 3. Tighten the camshaft bearing cap bolts an additional 30 degrees using the J 45059

Right Side






Install the camshaft bearing cap bolts in sequence.
Step 1. Alternately hand tighten the camshaft bearing cap bolts a few turns at a time until all caps are fully seated.
Step 2. Tighten the camshaft bearing cap bolts to 5 N.m (44 lb in).
Step 3. Tighten the camshaft bearing cap bolts an additional 30 degrees using the J 45059.

Main Bearing Cap




Step 1. Tighten the lower crankcase bolts in proper sequence.
First Pass: Tighten the lower crankcase bearing bolts (1-20) to 20 N.m (15 lb ft) in the proper sequence.
Final Pass: Tighten the lower crankcase bolts (1-20) an additional 65 degrees in the proper sequence using the J 45059.




Step 2. Tighten the upper-to-lower crankcase perimeter bolts (1-8) (1-8) to 30 N.m (22 lb ft).

Rod Bearing Cap






Important: DO NOT reuse the old connecting rod bolts.

Step 1. Lubricate the NEW connecting rod bolts with engine oil and install in the connecting rod.
First Pass: Tighten the NEW connecting rod bolts to 30 N.m (22 lb ft).
Step 2. Loosen the connecting rod bolts until the torque reading is zero.
Step 3. Re-tighten the connecting rod bolts.
First Pass: Tighten the connecting rod bolts to 25 N.m (18 lb ft).
Final Pass: Tighten the connecting rod bolts an additional 110 degrees using the J 45059.


Crankshaft Pulley




Step 1. Position the crankshaft balancer on the nose of the crankshaft.




Step 2. Press the crankshaft balancer in place using the J 41998-B.




Step 3. Clean the crankshaft balancer bolt threads.
Step 4. Apply engine oil to the crankshaft balancer bolt threads.
Step 5. Install the crankshaft balancer bolt.
First Pass: Tighten to 50 N.m (37 lb ft).
Second Pass: Tighten the bolt a final pass an additional 120 degrees using the J 45059.

Flywheel/Flex Plate
First Pass 30 N.m (22 lb ft).
Final Pass an additional 50 degrees using the J 45059

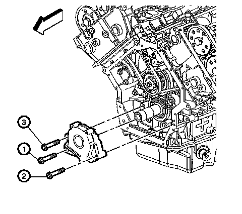
Oil Pump





Step 1: Apply upward pressure on the pump while tightening the three retaining bolts. Tighten the bolts in the sequence (1, 2, 3) shown.
First Pass: Tighten the oil pump mounting bolts 10 N.m (89 lb in)
Final Pass: Tighten the oil pump mounting bolts an additional 35 degrees using the J 45059.

Exhaust Manifold

Left Side (W/O RPO NC1 or NF7)
Tighten the exhaust manifold bolts to 25 N.m (18 lb ft)

Left Side (With RPO NC1 or NF7)
Tighten the exhaust manifold bolts to 25 N.m (18 lb ft)

Right Side (W/O RPO NC1 or NF7)
Tighten the exhaust manifold nuts to 25 N.m (18 lb ft)

Right Side (With RPO NC1 or NF7)
Tighten the exhaust manifold nuts to 25 N.m (18 lb ft)

Water Pump





1. Tighten the water pump bolts to 10 N.m (89 lb in).





2. Tighten the water pump cover bolt/studs to 10 N.m (89 lb in)





Important: Ensure that the bolt is installed in the lower inboard position (1) and the studs are installed in the remaining positions (2).